EasyManua.ls Logo

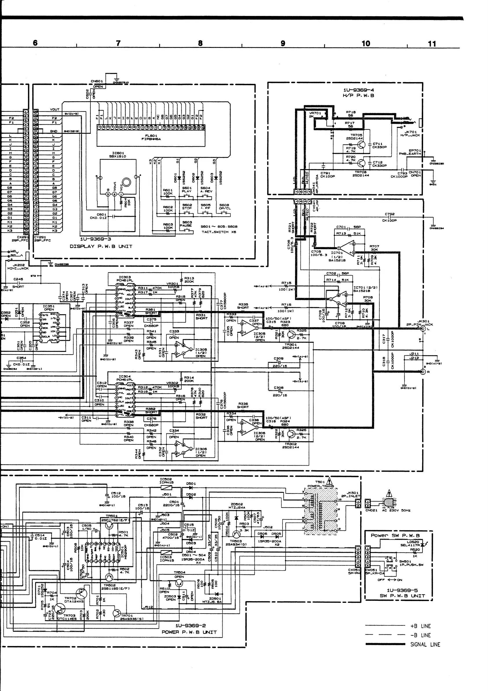
Denon DCD-635 - Schematic Diagram (3;3)

Denon DCD-635
36 pages
Print Icon
To Next Page IconTo Next Page
To Next Page IconTo Next Page
To Previous Page IconTo Previous Page
To Previous Page IconTo Previous Page
Loading...

Related product manuals