EasyManua.ls Logo

Denon DCD-860 - Wiring Diagram (DCD-660); System Wiring Schematics

Denon DCD-860
42 pages
Print Icon
To Next Page IconTo Next Page
To Next Page IconTo Next Page
To Previous Page IconTo Previous Page
To Previous Page IconTo Previous Page
Loading...
cee
a
a
er
tS
tr
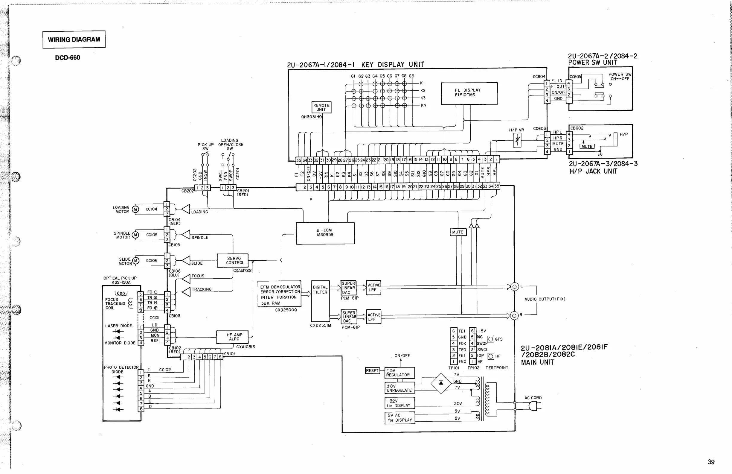
WIRING
DIAGRAM
DCD-660
4
1
Akai
rascal
rec
ain
eae
we
ie
pale
mark
ree
brs
htc
rsh
a
|
2U-2067A~2
/
2084-2
2U-2067A-1/
2084-1
KEY
DISPLAY
UNIT
POWER
SW
UNIT
POWER
SW
ON++OFF
GI
G2
G3
G4
G5
G7
G8
G9
fT)
IN
TN
secre
CR
sap
fp
FL
DISPLAY
FIPIOTM6
Do
LOADING
PICK
UP
OPEN/CLOSE
Ces
wmael
=.
v
35
34133
13213
1/30]2
25124
Lette
PETE
EE
Lt
pea
2
-2067A—3/
2084-3
|
CBIO5
SERVO
CONTROL
ia
SUDE
a
motor)
°cl0e
al
SLIDE
OPTICAL
PICK
UP
KSS-I50A
SUPER
LINEARL__
>
DAC
mak
RAB
CEE
EEE
Ete
ifze|
pat
ean
a
TP
ii
mm
ORm
1
=
"MOTOR
@
cos
fet
}
<
SPINDLE
wW50959
ACTIVE
LPF
EFM
DEMODULATOR
ERROR
CORRECTION
ae
FILTER
INTER
PORATION
32K
RAM
CXD2500@
AUDIO
OUTPUT
(FIX)
TRACKING
3
(0)
at
Go
CXD255IM
SEMCEIP
4
|
2U-2081A/
208
|IE/208
IF
SOE
/2082B/2082C
MAIN
UNIT
REGULATOR
=
+8V
AC
CORD
-32V
for
DISPLAY
|
5V
so
for
DISPLAY
=
39
¢
&
:
;
i

Related product manuals