EasyManua.ls Logo

Denon DN-2000F - Adjustment of Tracking Gain; Confirmation of HF Waveform

Denon DN-2000F
67 pages
Print Icon
To Next Page IconTo Next Page
To Next Page IconTo Next Page
To Previous Page IconTo Previous Page
To Previous Page IconTo Previous Page
Loading...
I ElN.ElC|C'clF
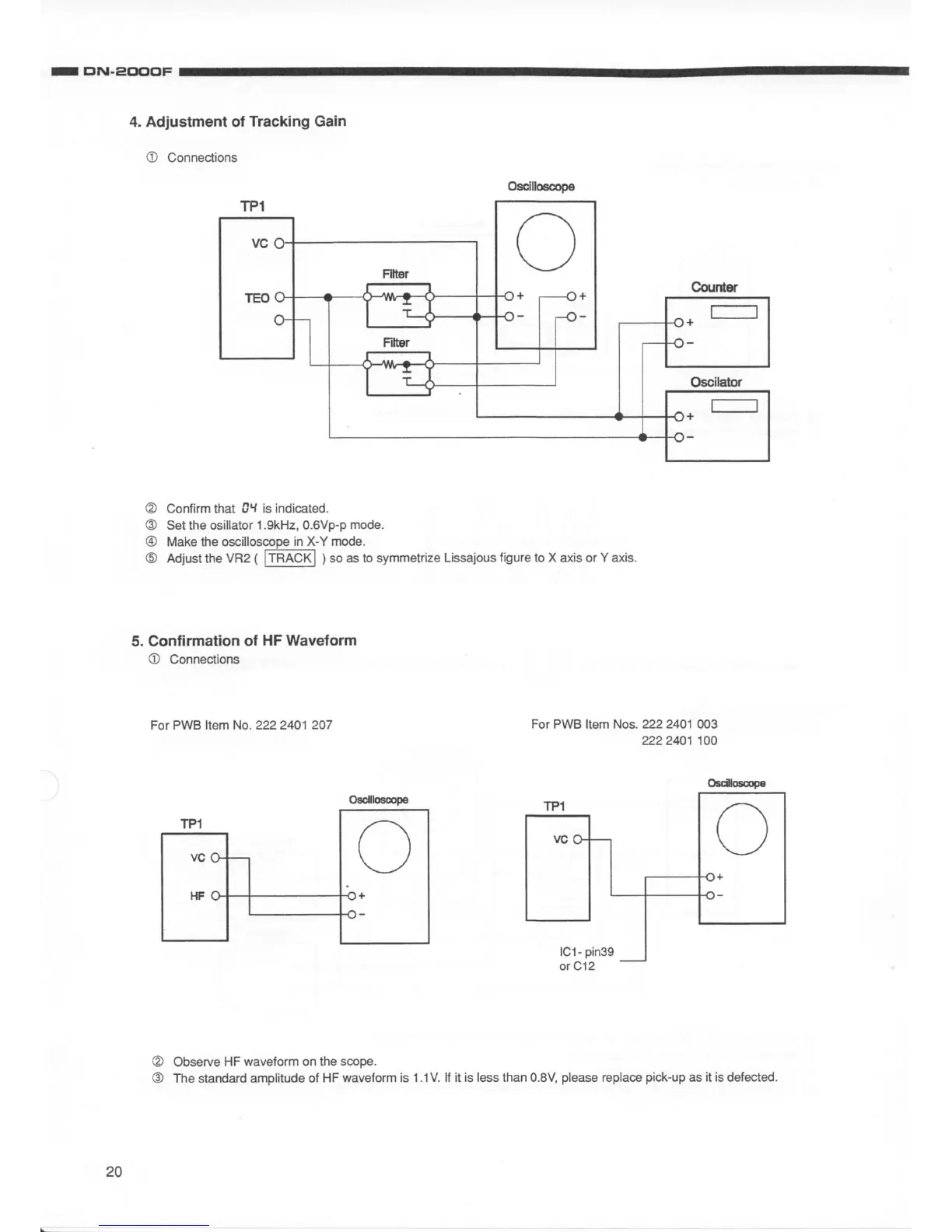
4. Adjustment ot
Tracking Gain
O Connections
A
\1)
@
@
@
Confirm that
0Y is indicated.
Set the
osillator 1.9kHz, 0.6Vp-p
mode.
Make the
oscillosggpe
in
)(-Y
mode.
Adjust
the
vR2
(
ITRAoK
I )
so as
to symmetrize Lissajous
figure to X
axis or
Y
axis.
5. Gonfirmation
of
HFWaveform
O
Connections
For PWB
ftem No. 22224o1207
For
PWB ftem Nos. 2222401 OO3
2222401
100
Observe
HF
wavelorm on the scope.
The standard amplitude of
HF
waveform is 1.1V.
lf
it
is less
than
0.8V,
please
replace
pick-up
as
it is
defected.
@
@
Osdllccop€
OeAccops
OEonGcop€
TPl
o+
.}-
vcG
HFO
20

Table of Contents

Related product manuals