EasyManua.ls Logo

Denon DN-2000F - Page 54

Denon DN-2000F
67 pages
Print Icon
To Next Page IconTo Next Page
To Next Page IconTo Next Page
To Previous Page IconTo Previous Page
To Previous Page IconTo Previous Page
Loading...
9l]
rl2.-3 --
:tE <
<
> < <
o,elilSF::
:9
?::
:
e
2!:^g
3,-\.1434--
:::
ltt:--1,l,-l:
-ll
ii
ttzo'
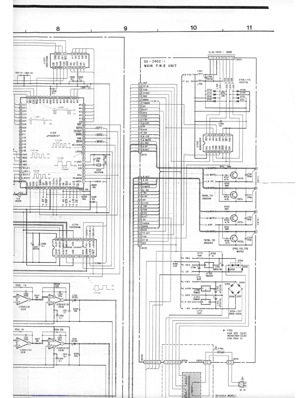
: iP0638lGF
,2
'o
t!
,::1*
il.
nnnn
"
ils
ruusLov
I
16
r.!8-t.c
o*o
nir n
t"
;;;
luuL,"
:,G
/-
I0l
-
5vct0
ro?
I LJ La"
rr
;;
7
F-nn:u
cLx2
nnn
t
RCf,z
J
u.
u Ld
o
_
ii-.c!ElF"u"Ft
aHaEP
E: A:
3
To GU-2aO3-l
C8@
Dm8-7t5
rsszT0A
IEEEEEFtEa
a F70o
o.El
r25v
EU,EC
l6OmA
25OV E2.EK
0.5a
zaov €l
--
------1
^
larm

Table of Contents

Related product manuals