EasyManua.ls Logo

Denon DSW-65 - Schematic Diagrams (1;2)

Denon DSW-65
22 pages
Print Icon
To Next Page IconTo Next Page
To Next Page IconTo Next Page
To Previous Page IconTo Previous Page
To Previous Page IconTo Previous Page
Loading...
17
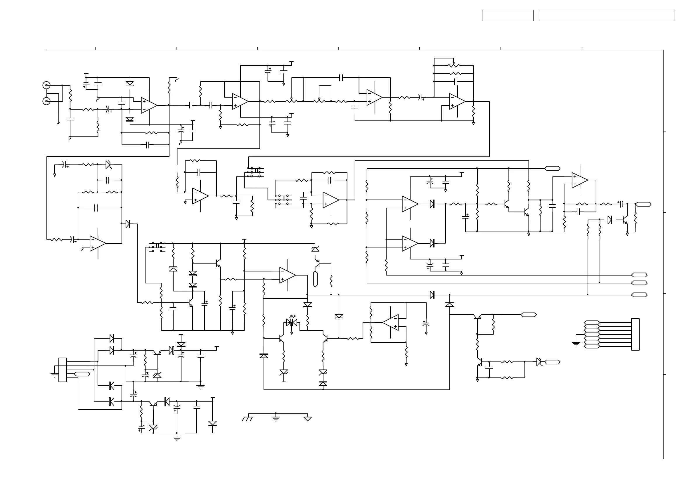
SYS-65HT/SYS-55HT/SC-C65/SC-A65/DSW-65DSW-65 Section
12
3
45
6
7
8
A
B
C
D
E
SCHEMATIC DIAGRAMS (1/2)
R209
150
R212
33k
GNDS
C217
1u/16V/20%
in
R210
47k
R226
150k
C216
47p/50v/10%
C212
220p/10%
C228
0.1u/10%
C239
100u/16V
C202
10u/16V/20%
C240
4.7u/16V
D209
1N4148
D207
1N4148
D210
1N4148
DZ201
1N4733/3.3V
R231
1k
R228
22k
R240
2MEG
R242
100k
R241
4.7k
R216
6.8k
R247
18k
R253
1MEG
R251
51K
R255
2k
R243
100k
R256
1.2k
R264
3.3k
R262
30k
R265
39K
C229
47u/25V
C230
47u/25V
D218
1N4148
D219
1N4148
D214
1N4148
D212
1N4148
R260
100k
R257
1.2k
R227
22k
R259
68k
C208
10u/16V/20%
R244
100k
R261
30k
D213
1N4148
2
3
1
4 11
U201A
TL074
R203
20k
C203
10u/16V/20%
C210
220p/10%GNDS
R211
18K
C211
220p/10%
C201
10u/16V/20%
C220
0.1u
R204
20K
9
10
8
11 4
U202D
TL074
6
5
7
11 4
U202B
TL074
13
12
14
411
U202C
TL074
2
3
1
411
U202A
TL074
R217
10k
R248
18k
R252
27K
C238
0.047u/5%
C235
0.1u/5%
R207
20K
GNDS
R258
5.1K
C207
10u/16V/20%
C215
220p/10%
R245
100k
R208
20k
C233
0.1u/5%
C234
0.1u/5%
R235
220K/1%
R234
6.8K/1%
R205
20k
3
2
1
LED201
R2ED/GR2EEN
R219
10k
R218
10k
R206
20k
C213
220p/10%
GNDB
R202
150R
GNDB
1
2
3
4
5
6
sw201
SW-4
GNDS
C221
0.1U
C222
0.1U
-12.3V
D205
1N4148
D206
1N4148
+12.3V
C204
10u/16V/20%
C223
0.1u
GNDS
6
5
7
11 4
U201B
TL074
+12.3V
13
12
14
411
U201C
TL074
9
10
8
11 4
U201D
TL074
1
2
3
4
5
6
7
P202
LIMIT
MUTE
-15V
AGND
+15V
PTC
OUT
PTC
+15V
MUTE
+15V
-15V
C205
10u/16V/20%
C224
0.1u
GNDB
+15V
C225
0.1u
C206
10u/16V/20%
GNDB
-15V
R220
10k
1
2
3
4
5
6
sw203
SW-4
R238
470k
9
10
8
11 4
U203D
TL074
2
3
1
411
U203A
TL074
13
12
14
411
U203C
TL074
R223
10k
R249
18k
R221
10k
R213
33k
R222
10k
D216
1N4148
D217
1N4148
C243
22u/25V/20%
R225
10k
R239
470k
R263
12meg
R224
10k
R266
7.5K/1%
R268
750/1%
C244
0.01u/5%
R267
7.5k/1%
R269
750/1%
R246
100K
C245
0.01u/5%
C246
47u/25V/20%
GNDB
1
2
3
4
5
6
sw202
SW-4
C237
0.22u/5%
R237
5.6k 1%
R215
10k
R236
7.5K
GNDB
GNDB
C236
1000p/50v/10%
D215
1N4148
LIMIT
-15V
+15V
OUT
GNDB
C214
220P/10%
st hi
play low
6
5
7
114
U203B
TL074
C241
10u/16v/20%
C226
0.1u
GNDB
C227
0.1u
C242
10u/16v/20%
GNDB
-15V
+15V
+0.1V
+12.3V
+13.5V
-12.3V
-13.0V
1
2
3
4
5
P201
C218
220u/25V
C219
220u/25V
D201
1N4001
D202
1N4001
D203
1N4001
D204
1N4001
Q207
C1815
Q208
C1815
Q206
C1815
C
3
B
1
E
2
Q212
A1015
Q211
A1015
Q213
A1015
Q203
C1815
Q201
C1815
R232
1k
R233
1k
C231
10u/16v
C232
10u/16v
DZ202
12V
Q210
A1015
DZ203
12V
STBY
STBY
VR201
20KB
1
2
3
R2CA1
VR202
50KA
GNDB
Q202
C1815
D208
1N4148
R229
10K
DZ204
2.2v
DZ205
2.2v
R230
22K
D220
1N4148
R254
1MEG
Q209
C1815
+12.3V
R201
1.5k
C209
220p/10%
GNDS
R214
220K
DZ206
2.2v
TO P302
TO P101
JUMP
D222
1N4001
D221
1N4001
+15V
-15V
-Vst
JUMP
Q205
A1015
DZ207
3.3v
D211
1N4001
D223
1N4001
0.1U
R247
GNDB
GNDB
GNDB
GNDBGNDBGNDB
TO P104
SCHEMATIC DIAGRAMS (1/2)
AMP UNIT

Related product manuals