EasyManua.ls Logo

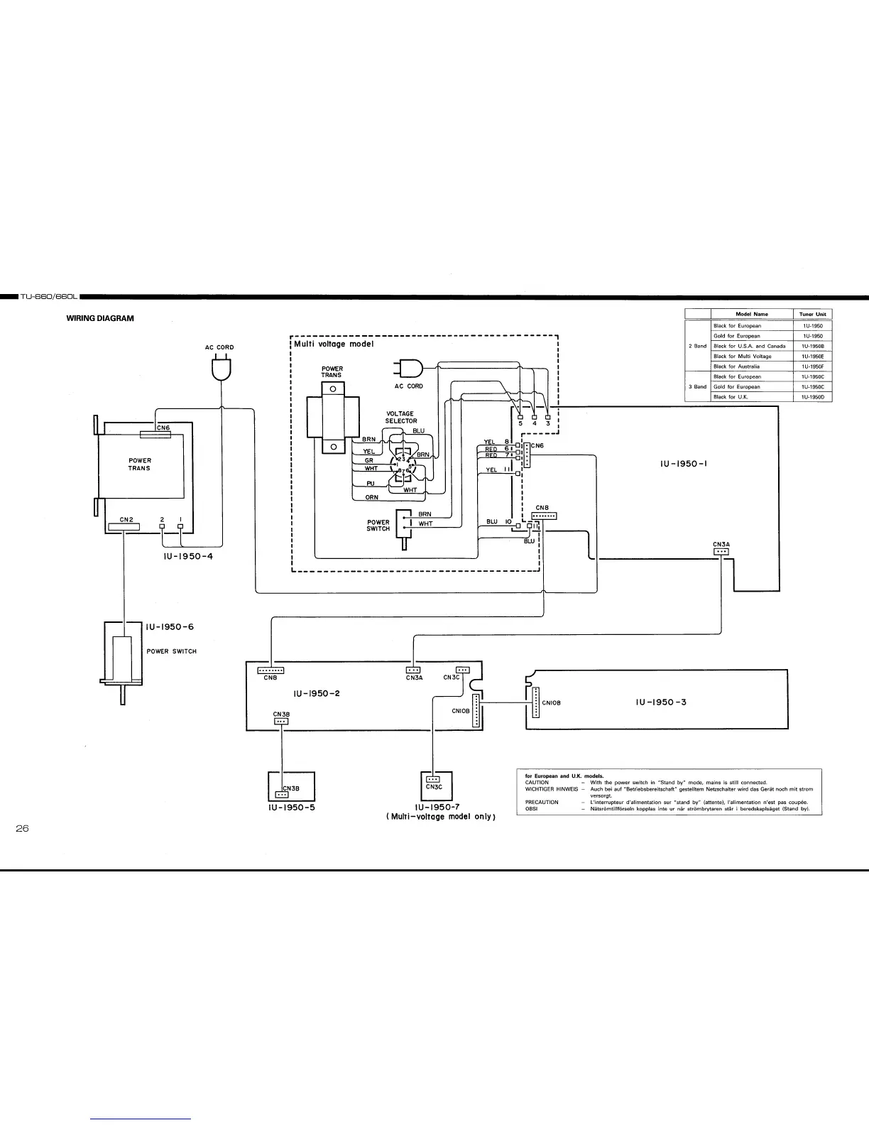
Denon TU-660 - Wiring Diagram; Internal Unit Wiring Connections

Denon TU-660
30 pages
Print Icon
To Next Page IconTo Next Page
To Next Page IconTo Next Page
To Previous Page IconTo Previous Page
To Previous Page IconTo Previous Page
Loading...

Related product manuals