EasyManua.ls Logo

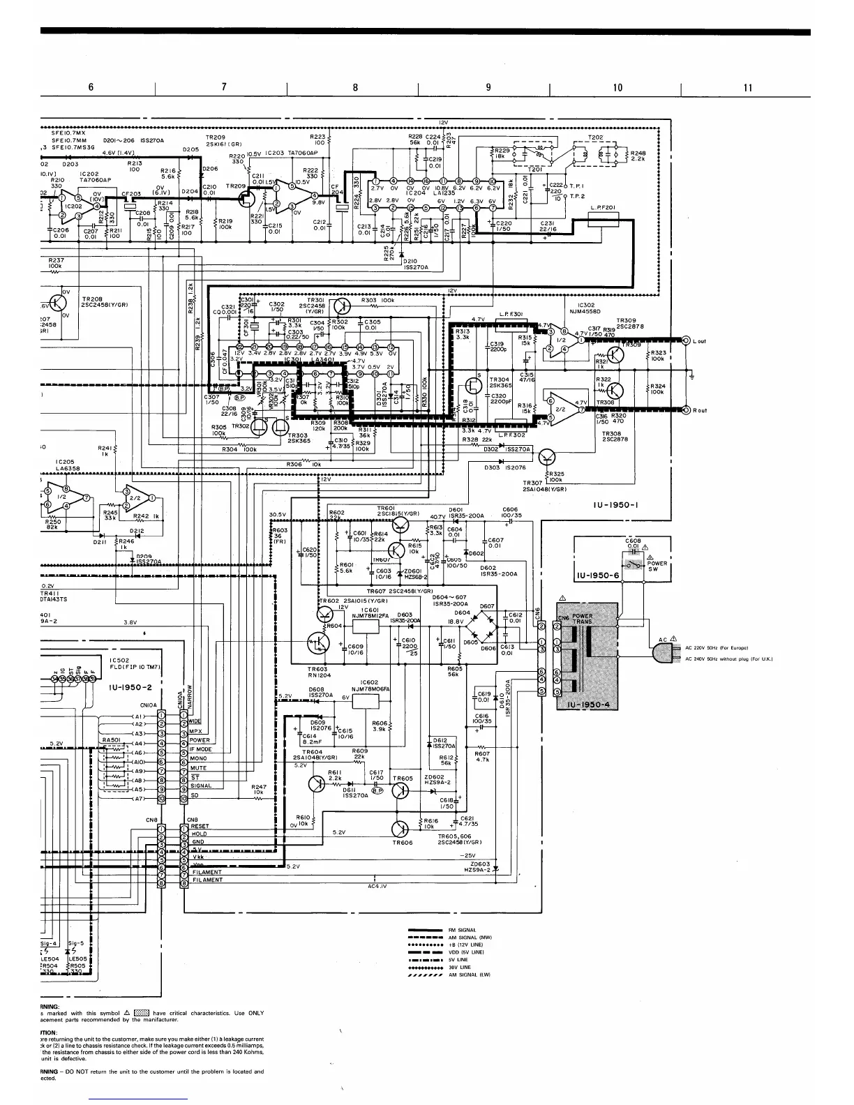
Denon TU-660 - Schematic Diagram (3 Band Model); 3 Band Model Circuit Schematics

Denon TU-660
30 pages
Print Icon
To Previous Page IconTo Previous Page
To Previous Page IconTo Previous Page
Loading...

Related product manuals