EasyManua.ls Logo

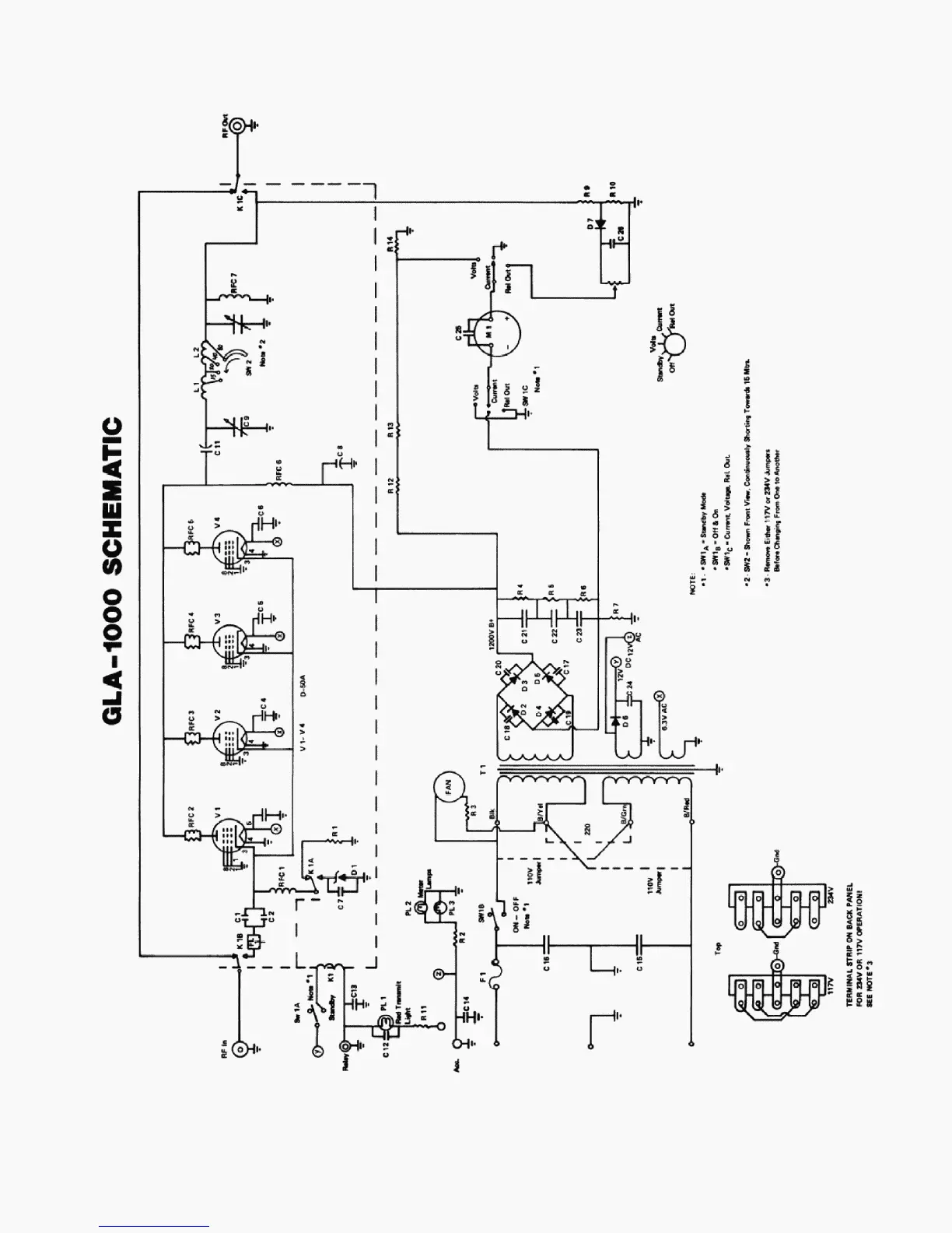
Dentron GLA-1000 - Schematic Diagram

Dentron GLA-1000
11 pages
Print Icon
To Previous Page IconTo Previous Page
To Previous Page IconTo Previous Page
Loading...

Related product manuals