EasyManua.ls Logo

Dentron GLA-1000 - GLA-1000 Service Data; Service Safety Warnings; Tube Replacement; Bulb Replacement

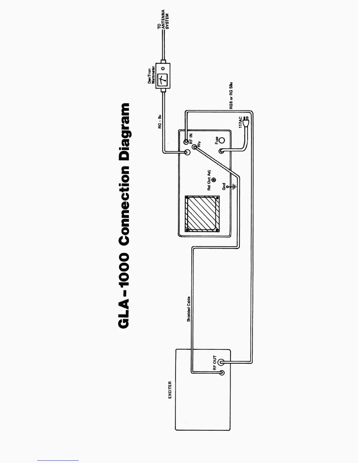
Dentron GLA-1000
11 pages
Print Icon
To Next Page IconTo Next Page
To Next Page IconTo Next Page
To Previous Page IconTo Previous Page
To Previous Page IconTo Previous Page
Loading...

Related product manuals