EasyManua.ls Logo

Denver MRD-52 - Page 3

Denver MRD-52
20 pages
Print Icon
To Next Page IconTo Next Page
To Next Page IconTo Next Page
To Previous Page IconTo Previous Page
To Previous Page IconTo Previous Page
Loading...
EN
Do not use non original accessories together with the product as
this can make the product functionality abnormal.DEVICE
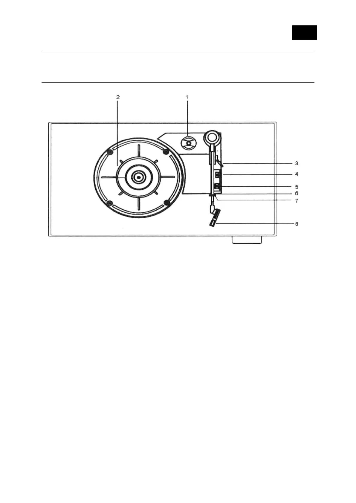
DESCRIPTION AND FUNCTION KEYS
1 Spindle adapter.
2 Turntable platter
3 Tone arm lever
4 33/45/78 RPM turntable speed
selection
5 Turntable auto stop on/off
6 Tone arm
7 Tone arm clip
8 Stylus and stylus cover
2

Related product manuals