EasyManua.ls Logo

Denyo DCA-13LSK - Outline Drawing

Denyo DCA-13LSK
61 pages
Print Icon
To Next Page IconTo Next Page
To Next Page IconTo Next Page
To Previous Page IconTo Previous Page
To Previous Page IconTo Previous Page
Loading...
-pi
Ч>
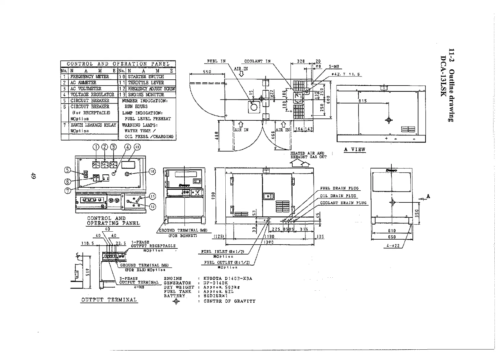
CONTROL AND OPERATION PANEL
Ho.
N A M E
No.
NAME
I
FREQUENCY METER
1 0
STARTER SWITCH
Z
AC AMMETER
1 1 THROTTLE LEVER
3
AC VOLTMETER
1 2 FREQUENCY AUJUST SCREW
4
VOLTAGE REGULATOR
1 3 ENGINE MONITOR
5
CIRCU IT BREAKER
NUMBER INDICATION:
Б
CIRCU IT BREAKER
RUN HOURS
(for KECEFTACL0
LAMP INDICATION:
StOpt i on FUEL LEVEL PREHEAT
7
EARTH LEAKAGE RELAY
WARNING LAMPS:
SO pf 5 on
WATER TEMP, /
OIL PRESS. /CHARGING
FUBL IN
COOLANT IN
9 8 5-MB
CDNTROL ANО
OPERATING PANEL
*11. 7 1 1, S
Ш
r
SIS
1
ф »
T *
HEATED AIE AND
EXHAUST GAS OUT
A VIEW
Dm
* *
4
p -
*
6 0 /
6 5 0 /
i-tiz
4-MB
OUTPUT TERMINAL
E N G IN E
G E N E R A T O R
D R Y W E I G H T
F U E L T A N K
B A T T E R Y
+
» O j t i о a
FU EL O UTLET IR cl/Z )
KO;Un
K U B O T A D 1 4 D 3 - X 3 A
D R - D 1 4 OK
A p p r o i . S 0 3 R e
A p p г о I . 6 ZL
8 0 D 2 B R X 1
CENTER OF GRAVITY
11-2 Outline drawing
DCA-13LSK

Related product manuals