EasyManua.ls Logo

Denyo DCA-600SPK - Page 82

Denyo DCA-600SPK
90 pages
Print Icon
To Next Page IconTo Next Page
To Next Page IconTo Next Page
To Previous Page IconTo Previous Page
To Previous Page IconTo Previous Page
Loading...
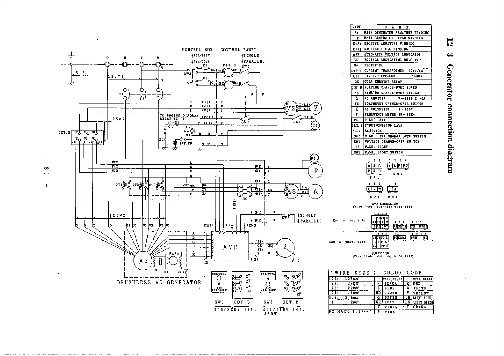
CO NTROL BOX CO NTROL PA N EL
I
00
MARK
NAME
AT
HATH GENERATOR ARMATURE WINDING
Ff
MAIN GENERATOR FIELD WINDING
EiAr
EXCITER ARMATtJRE WINDING
EiF(
EXCITER HEU>r WINDING
AVR
AUTOMATIC VOLTAGE REGULATOR
ТЕ VOLTAGE REGULATING RHEOSTAT
Be RECTIFIER
СТЬЗ
CURRENT TRANSFORMER 1210/SA
cai
CIRCUIT BREAKER 1БШ
DC
OVER CUERENT RELAY
COT,! voltage change- over BOARD
AS
ammeter CHANGE-OVER STITCH
Л AC*AMMETER W iZIO . М10Л
VS VOLTMETER CHANGE-OVER SWITCH
2
AC. VOLTMETER l- S H Y
F FREQUENCY METER IS -6 53*
PCI
т о т LAMP
PLt, 3
SYNCHRONIZING LAMP
fi, г
RESISTOR
SW2
SINGLE-PAR.CHANGE-OVER SWITCH
SW3
VOLTAGE CEANGE-OVER SWITCH
u PANEL LIGHT
SWl PANEL LIGHT SWITCH
A
J С
В К
D
ИМР1П1
С N 1
(Щ) ш
СИЗ С X 4
А
п
СОНИБСТОЙ
(Vitt Гтси liltr l i if rift tide)
Coo I Те I h i tide
j Г ?
[ешИцП
ишш
ЗШЕЕ'
i U i J 1 I 1
jRgfs ijr il frq [b t |b £1
CeUI Tel pact I l i d с
,3. .. I >
ЩШ
ua i[pi
yj 3 |PZ
_ = S S = = _ 11l £
r n i s j f r j e e ib t i rrg
CONNECTOR
EVi *» ire» lattrlltf rite tide]
2 DO/2 2 0 V set 4 DO/4 4 О V set.
3
! OV
wire s t гг
CO LO R C O DE
125; 125mror
wr kv coLOt
wrti cotot
38: 3&IDIB1
В
BRACK
R
RED
22; гга л1
L BLUE W WHITE
14: H тя*
Bfc
BROWN
Y
YELLOW
5 * S : 5 . 5шш*
G
GREEN
LB
LIGHT BLUE
2 ; 2 пип* GR
GRAY
LG
LIGHT GIIEH
V
VIOLET 0
ORANGE
MO MARK: 1 .2 5 я т'
P P TNK
12-3 Generator connection diagram