EasyManua.ls Logo

Denyo DF-0170K - Wiring Diagrams; Generator Connection Diagram

Denyo DF-0170K
61 pages
Print Icon
To Next Page IconTo Next Page
To Next Page IconTo Next Page
To Previous Page IconTo Previous Page
To Previous Page IconTo Previous Page
Loading...
O p t i
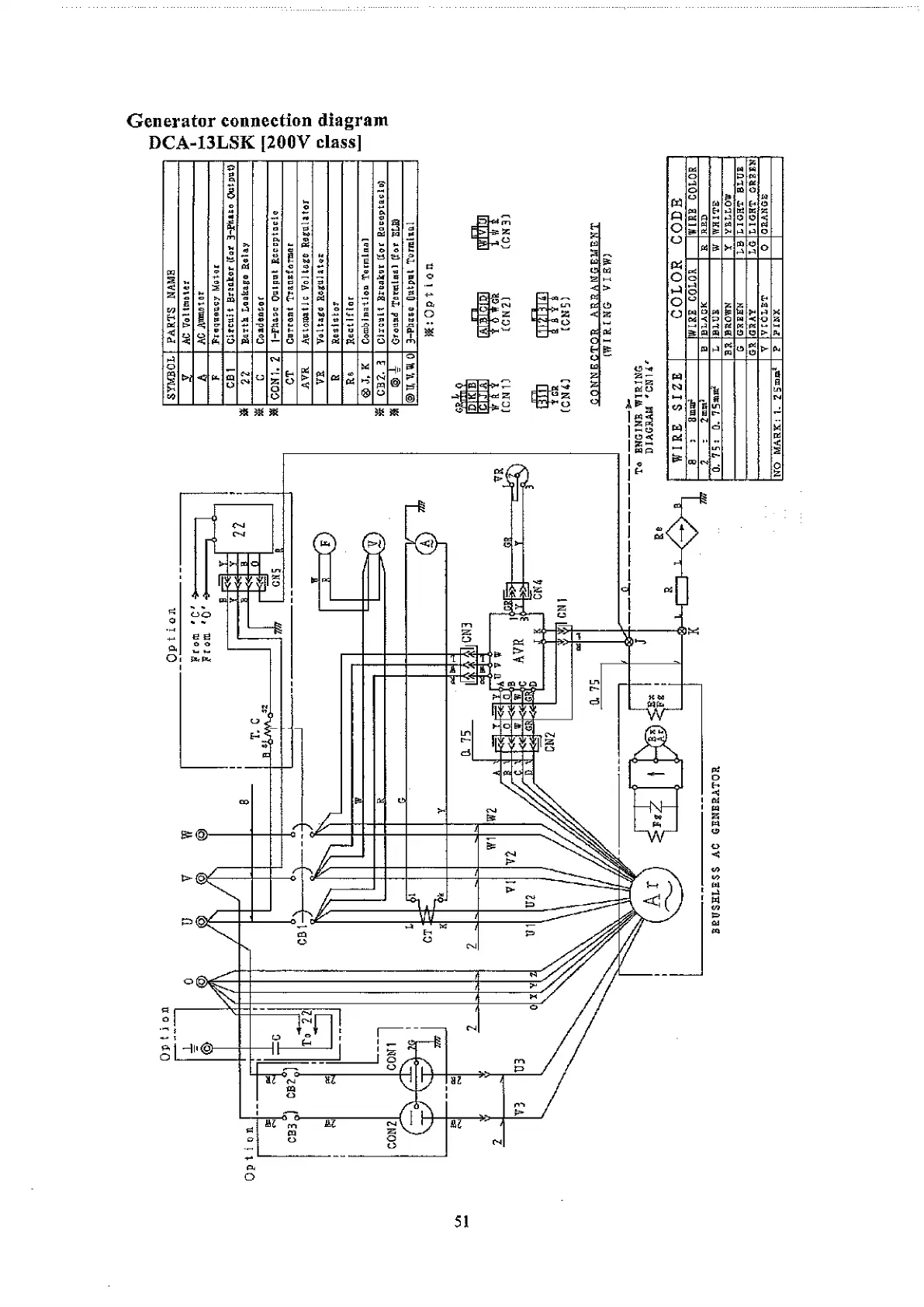
Generator connection diagram
DCA-I3LSK [200V class]
О
51

Related product manuals