EasyManua.ls Logo

Denyo DF-0170K - Page 59

Denyo DF-0170K
61 pages
Print Icon
To Next Page IconTo Next Page
To Next Page IconTo Next Page
To Previous Page IconTo Previous Page
To Previous Page IconTo Previous Page
Loading...
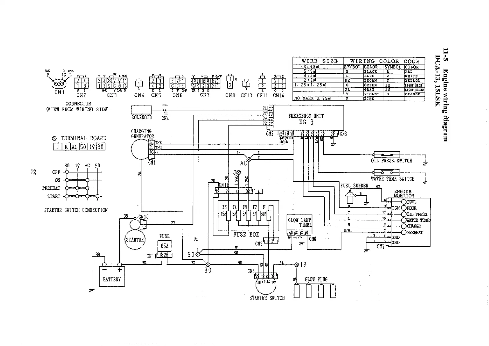
WIRE SIZR
WIRING COLOR CODE
3 8 = 3 3i SYMBOL
COLOR SYMBOL COLOR
S : W
......................
в BLACK ft
RED
3 : 3 rtf
L
BLUE
w
WHITE
2i2trf BR BROWN
Y YELLOW
1- 25:1. G GREEN
LB
LIGHT BLOB
OR
GRAY
LG
LIGHT ШВН
V
VIOLET 0 ORANGE
NO MARX:Q. 7 Sri
f PINK
STARTBR SWITCH ш
11-5 Engine wiring diagram
DCA-13, 15LSK

Related product manuals