EasyManua.ls Logo

Dettson HYDRAR15-E2401M - Page 17

Dettson HYDRAR15-E2401M
20 pages
Print Icon
To Next Page IconTo Next Page
To Next Page IconTo Next Page
To Previous Page IconTo Previous Page
To Previous Page IconTo Previous Page
Loading...
17
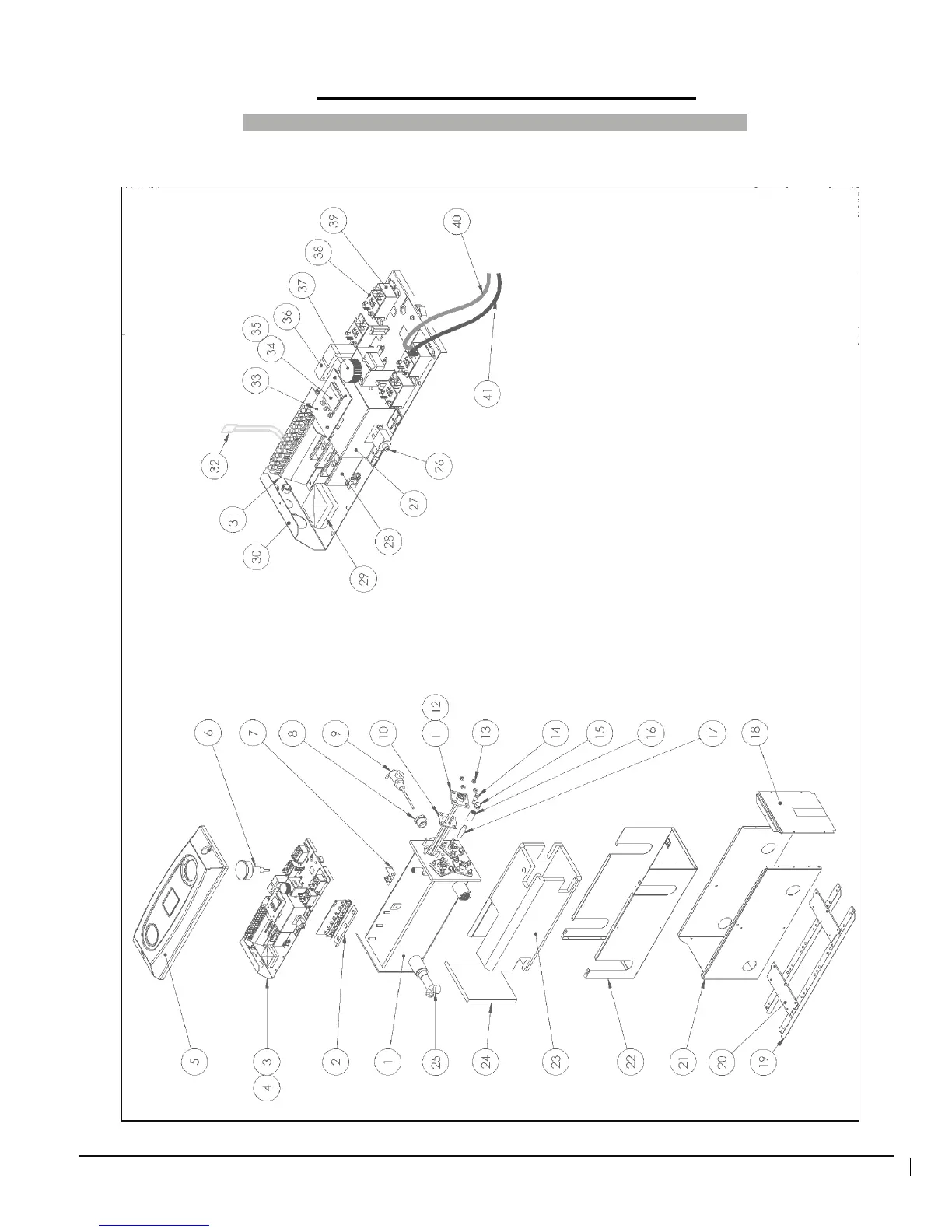
6 SECTION - REMPLACEMENT PARTS
Figure 12: Exploded Vue (3-4 elements)

Related product manuals