EasyManua.ls Logo

Devair PROdry - Electrical Schematics and Components; Wiring Diagram Schematics; Component Location Identification

Devair PROdry
16 pages
Print Icon
To Next Page IconTo Next Page
To Next Page IconTo Next Page
To Previous Page IconTo Previous Page
To Previous Page IconTo Previous Page
Loading...
9
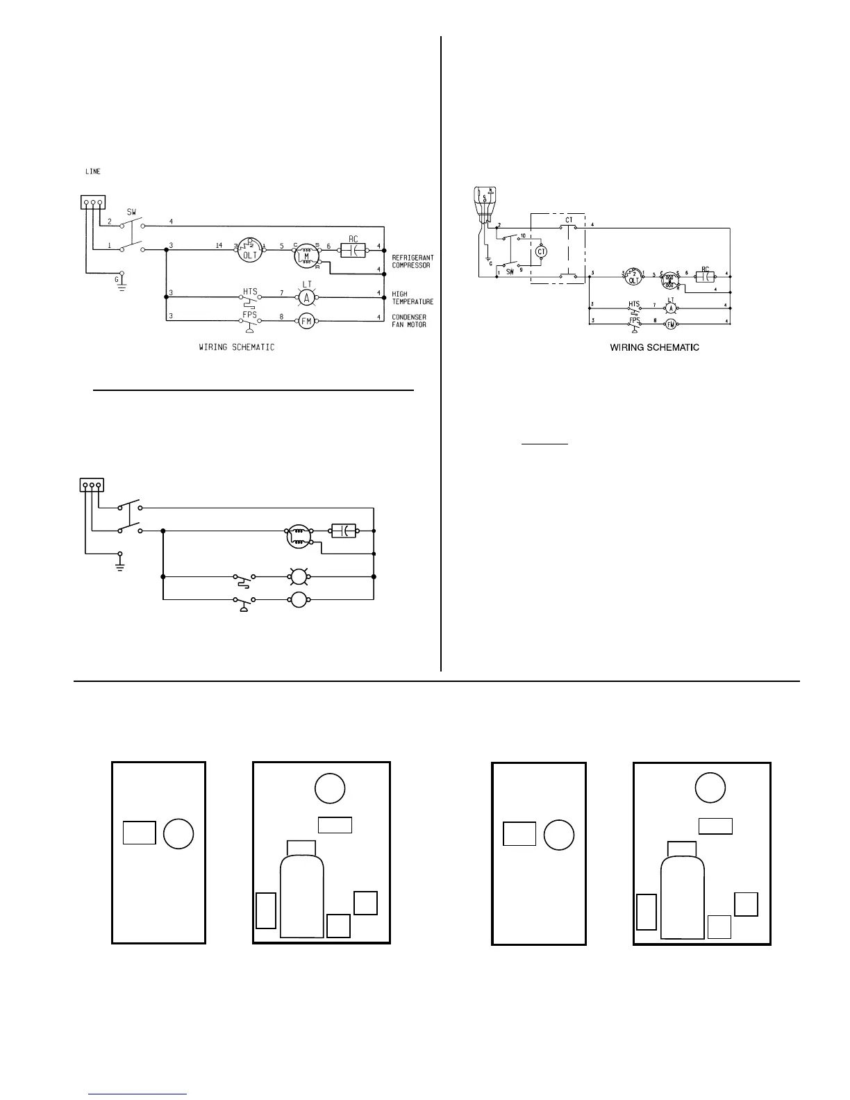
ELECTRICAL SCHEMATICS
Models 20 thru 75 - All Voltages
Only Models 50 and 75 - 115-1-50/60
Only Models 50 and 75 - 115-1-50/60
3
LINE
SW
G
1
2
3
3
4
A
TEMPERATURE
FPS
8
FM
CONDENSER
FAN MOTOR
4
RC
HTS
7
5
M
LT
R
C S
6
REFRIGERANT
COMPRESSOR
4
4
HIGH
4
WIRING SCHEMATIC
Models 100 and 125 - All Voltages
FPS
TB
HTS
FM
OLT
LT
SW
M
Front of Dryer
(Outside)
Right Side of Dryer
(Inside)
COMPONENT LOCATIONS
RC
Models 20 thru 125 - All Voltages
LT
SW
FPS
CT
HTS
FM
OLT
M
RC
Front of Dryer
(Outside)
Right Side of Dryer
(Inside)
COMPONENT LOCATIONS
LEGEND
SW - On/Off Switch
OLT - Thermal Overload
M - Compressor Motor
RC - Run Capacitor
HTS - High Temperature Switch
LT - Fault Light
FPS - Fan Pressure Switch
FM - Fan Motor
TB - Terminal Block
CT - Contactor w/115V Coil
Only Models 50 and 75 - 115-1-50/60
TEMPERATURE
CONDENSER
FAN MOTOR
REFRIGERANT
COMPRESSOR
HIGH
NEMA 5-20P
PLUG 20A, 125V