EasyManua.ls Logo

Devatec ElectroVap KIT MC Series - Page 26

Default Icon
36 pages
Print Icon
To Next Page IconTo Next Page
To Next Page IconTo Next Page
To Previous Page IconTo Previous Page
To Previous Page IconTo Previous Page
Loading...
26
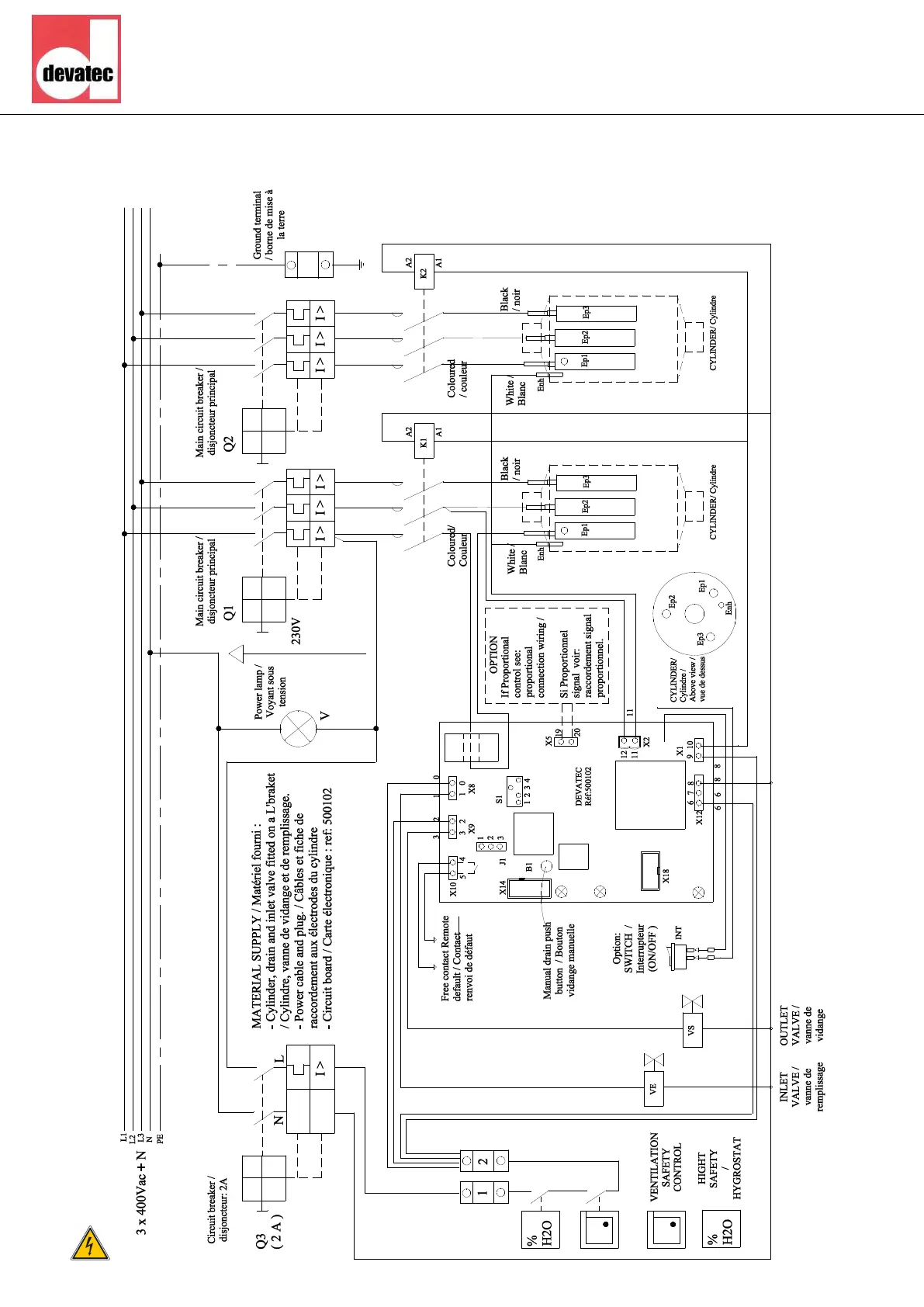
ELECTROVAP KIT MC
Installation - Step 3
KIT MC2 40 wiring scheme - 3x380-400-415V + N
ALL WORKS CONCERNED WITH ELECTRICAL INSTALLATION MUST BE CARRIED OUT BY A SKILLED AND QUALIFIED PERSONNEL

Related product manuals