EasyManua.ls Logo

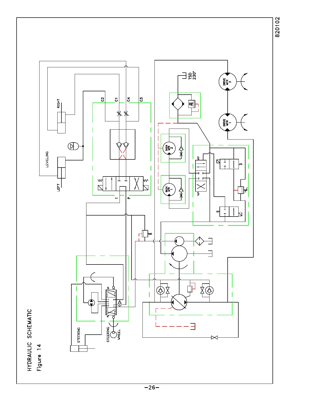
DEWEZE 72 - Hydraulic Schematic

DEWEZE 72
54 pages
Print Icon
To Next Page IconTo Next Page
To Next Page IconTo Next Page
To Previous Page IconTo Previous Page
To Previous Page IconTo Previous Page
Loading...