EasyManua.ls Logo

DGP DGP-2 - Page 9

Default Icon
13 pages
Print Icon
To Next Page IconTo Next Page
To Next Page IconTo Next Page
To Previous Page IconTo Previous Page
To Previous Page IconTo Previous Page
Loading...
Document: DGP-2 & DGP-2-V2 Tungsten Grinder Product User Manual | Released: 5/13, Rev. A
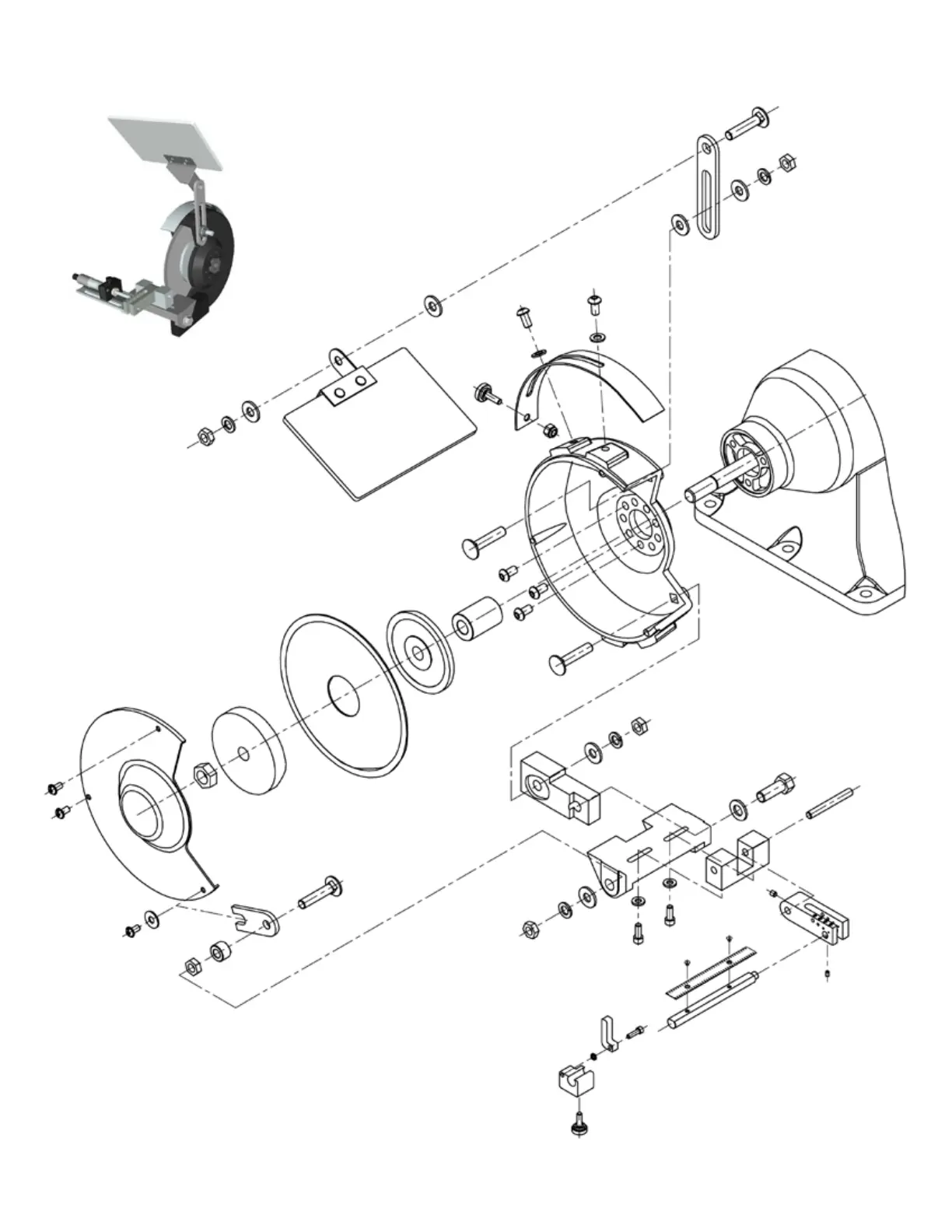
LEFT SIDE OF DGP-2 PRECISION TUNGSTEN GRINDER
Page 9