EasyManua.ls Logo

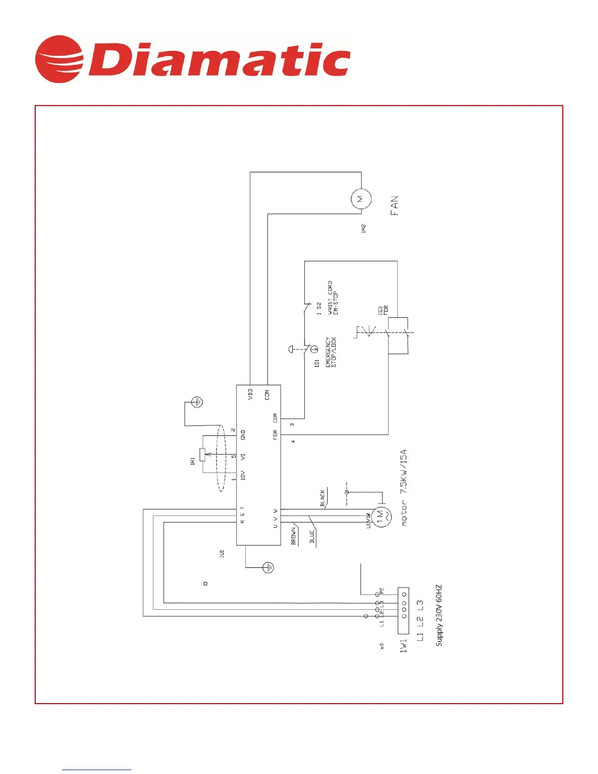
Diamatic MPS-1027E - The Circuit Diagram

Default Icon
11 pages
Print Icon
To Previous Page IconTo Previous Page
To Previous Page IconTo Previous Page
Loading...
The Choice of Professionals
www.diamatic.usa P a g e | 11 info@diamatic.usa
7. The Circuit Diagram