EasyManua.ls Logo

Diamond DE400.4 - Channel Mode; Installation; Fuse Connection Diagram; RCA Connection Diagram

Diamond DE400.4
8 pages
Print Icon
To Next Page IconTo Next Page
To Next Page IconTo Next Page
To Previous Page IconTo Previous Page
To Previous Page IconTo Previous Page
Loading...
FUSE
FUSE
FUSE
FUSE
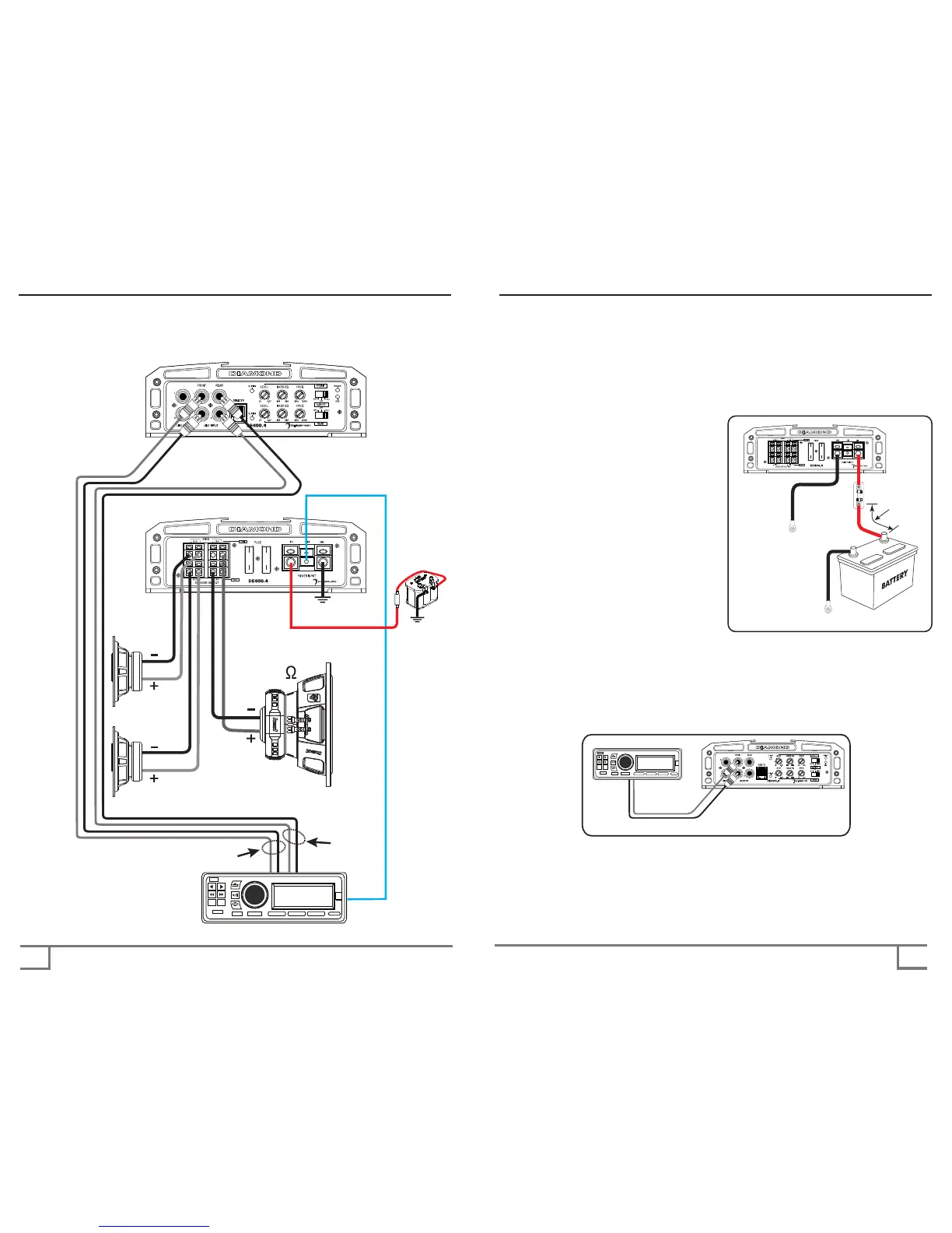
5. Prepare the ground wire for attachment to the amplifier by stripping 5/8” of insulation from the end of the wire. Always
use a wire of the same gauge as the power connection, never smaller. Insert the bare wire into the GND terminal and
tighten the set screw to secure the cable in place. Prepare the chassis ground by scraping any paint from the metal surface
and thoroughly clean the area of all dirt and grease. Strip the other end of the wire, crimp and soldier a ring connector.
Fasten the cable to the chassis using a non-anodized screw with a star washer and a nut.
WARNING: It is important to upgrade the ground
connection between the negative (-) battery post and the
vehicle body or chassis to achieve optimum electrical
performance.
6. Prepare the REM turn-on wire for attachment to the amplifier
by stripping 5/8 inch (15.9mm) of insulation from the end
of the wire. Insert the bare wire into the REM terminal and
tighten the set screw to secure the wire in place. Connect the
other end of the REM wire to a switched 12 volt positive
source. The switched voltage is usually taken from the
source unit’s remote amp turn on lead. If the source unit
does not have this output available, the recommended
solution is to wire to an accessory terminal in the car’s fuse
block using a relay to isolate the amplifer from the vehicles
accessory circuit. This however will turn the amplifier on and
off with the ignition key, regardless of whether the car stereo
is on or off.
7. Securely mount the amplifier to the vehicle or amp rack. Be careful not to mount the amplifier on cardboard or plastic
panels. Doing so may enable the screws to pull out from the panel due to road vibration or sudden vehicle stops.
8. Connect from source signal by connecting the RCA audio cables to the input jacks at the amplifier.
FUSE CONNECTION DIAGRAM
9. Connect the car speakers. Speakers impedance should never be less than 2 Ohms stereo, 4 Ohms bridged(the mono block
is stable into 1 ohms). For most applications 18 gauge wire is adequate for the speaker leads. For leads in excess of ten
feet, 16 gauge wire is recommended. Strip the speaker wires 1/2” (12.7mm) and insert into the speaker terminal block,
then tighten the set screw to secure into place. When wiring the speakers, pay careful attention to the polarity of the
terminals on the speakers and make certain they correspond to the polarity on the amplifier. DO NOT chassis ground any
of the speaker leads as unstable operation or damage to the amplifier and/or speaker may result.
RCA CONNECTION DIAGRAM
DE400.4 = 40A
DE900.5D = 60A
FUSE RATINGS
710
SYSTEM CONFIGURATIONS INSTALLATION
18 inches
RECOMMENDED
Subwoofer
(DVC- 4 )
HEAD UNIT
(perferredly with 5V output)
DE400.4 SIGNAL ENDPLATE
DE400.4 POWER/SPEAKER ENDPLATE
Battery
ESC
VIEW
BAND
SOURCE
AUDIO
MUTE FUNC
TAG
PreAmp out
FRONT
PreAmp out
REAR
ESC
VIEW
BAND
SOURCE
AUDIO
MUTE FUNC
TAG
DE400.4
3 - Channel Mode
HEAD UNIT

Related product manuals