EasyManua.ls Logo

Diehl Hydrus 171B - Fonction Jour de Relevé

Diehl Hydrus 171B
Print Icon
To Next Page IconTo Next Page
To Next Page IconTo Next Page
To Previous Page IconTo Previous Page
To Previous Page IconTo Previous Page
Loading...
-29-
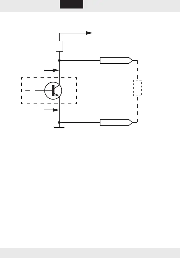
Schéma
marron
Pulse 1 vert
Pulse 2 blanc
HYDRUS
Résistance de protection*
VCC = 24 V
pulse
ground
R
sps = 5k6
La fonction des sorties d’impulsions est du type "collecteur ouvert"
(open collector).
La branche du collecteur contient une résistance 0 ohm. Cela signie qu’il
n’y a aucune limitation de courant à l’intérieur du compteur, il incombe de
s’en assurer au moyen d’une résistance de protection externe (*à moins
qu’une telle résistance n’ait déjà été installée par le client).
La résistance interne de l'appareil de commande devrait équivaloir à 5x la
valeur de la résistance de protection.
7. Fonction jour de relevé
Le jour de relevé sélectionné, les valeurs de consommation sont stockées
dans la mémoire et conservées jusqu’au prochain jour de relevé. Ces
valeurs peuvent être relevées à l’écran ou transmises par M-Bus ou par
interface optique. Il est possible de congurer librement le jour de relevé.
Le réglage de base effectué en usine est "31.12." de l’année de livraison.
HYDRUS
Deutsch English
Français
Português

Related product manuals