EasyManua.ls Logo

Digiplex EVO48 - Page 7

Default Icon
64 pages
Print Icon
To Next Page IconTo Next Page
To Next Page IconTo Next Page
To Previous Page IconTo Previous Page
To Previous Page IconTo Previous Page
Loading...
EVO Control Panel 3
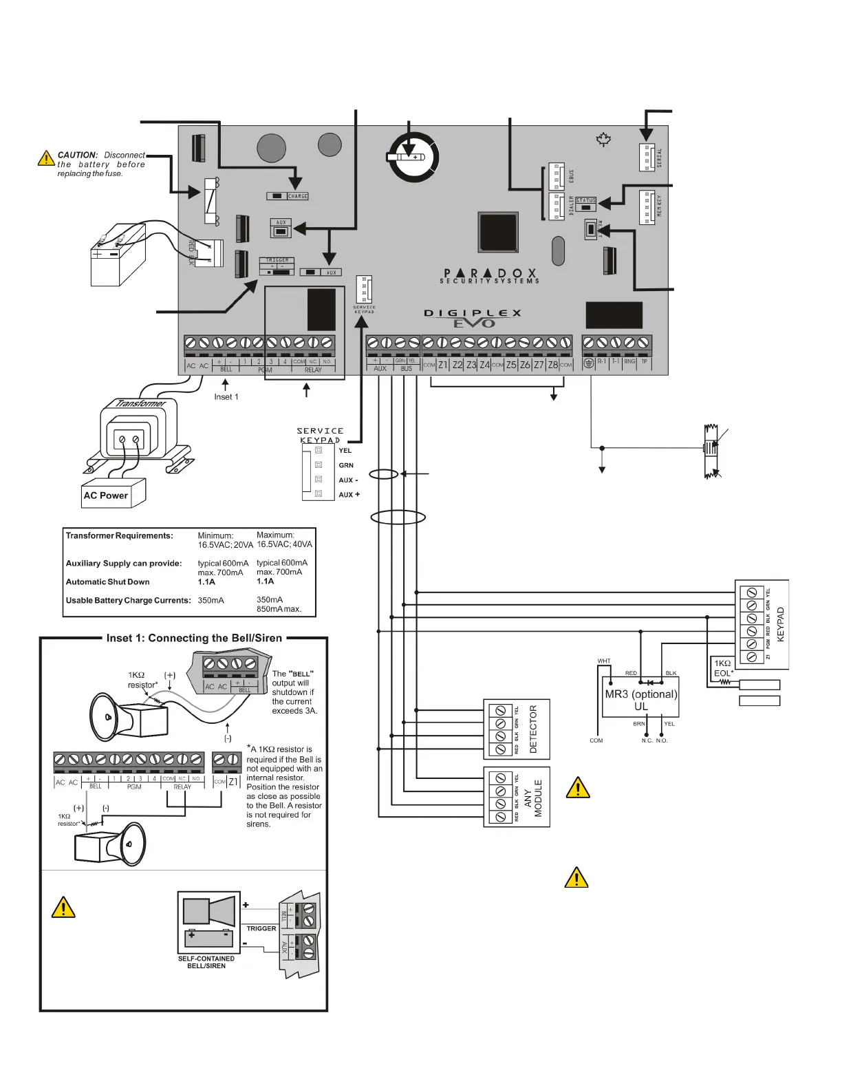
Figure 3: EVO Control Panel Wiring Diagram
AUX Power (Auxiliary):
Provides up to 700mA. Refer to
Table 1 on page 4
When installing the combus wires in a noisy environment, or when connecting the combus across separate buildings, you
must use a shielded cable. Refer to section 2.15.1 on page 6.
Please see UL and ULC Warnings on page 54 for applicable UL/ULC warnings and information.
Door Contact
* if EOL is enabled in
the control panel
Bell/Siren
AWG#14 single
conductor solid
copper wire
Ground
clamp
Cold water
pipe
grounding
To metallic
enclosure
For the hardwired connections, see
Single Zone Input Connections on page
6 and Double Zone Connections on
page 6.
Combus
Four pin connector
can be used for
quick installation
of a keypad or
module.
Built-in RTC
See page 7.
12Vdc 7Ah Rechargeable
Acid/Lead or Gel Cell
Backup Battery
Red "
STATUS" LED:
Flashing - Indicates proper
operation.
Always On - Panel is using
a phone line.
Fast Flash - Indicates a control
panel failure.
Off - Control panel error.
Used for In-Field Firmware
Upgrade through a
307USB
Direct Connect Interface.
Press and hold the Reset
button for 2 seconds to restart
the panel without removing
power.
Optional on EVO48
Bell/Siren
The sum of the current
drawn from the BELL and
AUX must be limited to
2.0A. Exceeding this limit will
overload the panel power supply
and lead to complete system
shutdown.
PLEASE NOTE: When powering up the EVO control panel, the panel will begin a module scan to verify if all the modules
connected to the panel are operational. The scanning process will take between 30 seconds and 3 minutes to complete
depending on the number of modules connected to the control panel. The module scan is complete when the LCD
keypad begins to show the partition status. Only after the module scan is complete will the control panel be fully
operational.
Connection for Self-Contained Bell/Siren
40VA transformer strongly recommended
The combus supports a maximum of 127 (EVO48)
or 254 (EVO192) modules. Although external power
supplies can be used to provide power to modules
connected far from the control panel, the total
distance of all runs of wire combined cannot
exceed 914m (3000ft). For example, if ten runs of
wire measuring 305m (1000ft) each are connected
to the control panel, the total distance would be
3048m (10, 000ft), which exceeds the system's
capacity.
Before adding any module to the control panel
make sure you shutdown the AUX output by
pressing and holding the AUX button for 3
seconds.
Charging and battery test
LED (every 60 seconds).
VDMP3 voice module module
connects directly to the control panel via the EBUS
and DIALER connectors
(See ‘VDMP3 Installation Instructions” on page 27.)
AUX LED and AUX control button.
(Activates and deactivates the auxiliary
output)
PGM Trigger: This Jumper
allows you to choose whether
the solid-state relay PGMs are
grounded (-) or give out 12V (+).

Table of Contents

Related product manuals