EasyManua.ls Logo

Digitrax DB210 - Page 9

Default Icon
24 pages
Print Icon
To Next Page IconTo Next Page
To Next Page IconTo Next Page
To Previous Page IconTo Previous Page
To Previous Page IconTo Previous Page
Loading...
© 2017 Digitrax, Inc. www.digitrax.com9
9
DB 210
R
LOCONET
A B
R
C
MODE
RUN
OP
SLEEP
SCALE
O/G
N
HO
AMPS
8
5
3
PWR NET
TRK
STAT
+
G
R
R
B
R
A
-
8A
AUTO
REV
OFF
ON
ON
CPD
CPD
CPD
CPD
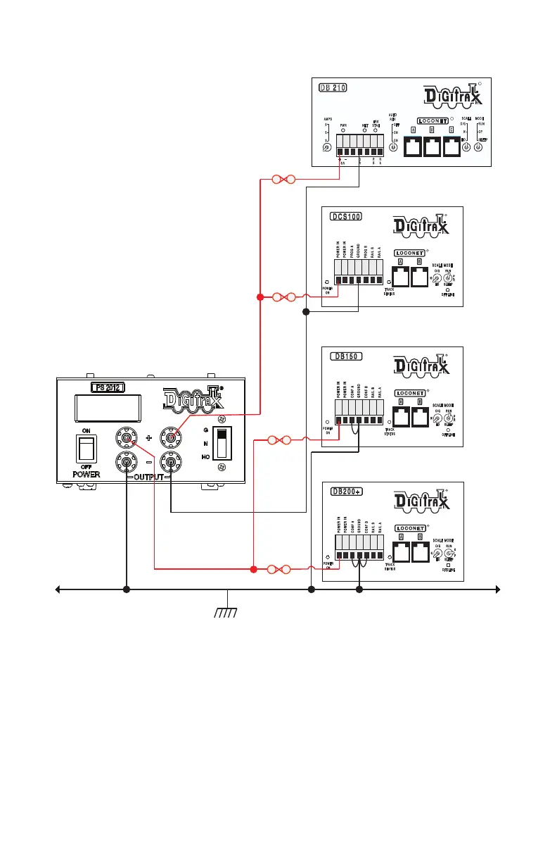
Figure 1: DC power sharing connections with multiple non-opto
isolated boosters
Notes: Current Protection Devices
(CPDs) on positive leads should
match each boosters current rating.
Only connect DC power leads to
Pins 7 and 4 with polarity as shown
for safe operation. DC power leads
should be adequately sized for load
and fault currents.
All non-opto boosters should be
connected to the general return via
pin 4.
Power supply sharing is only sup-
ported by non-opto boosters. Opto
boosters must each be powered by a
separate supply.
Other connections omitted for clar-
ity. Ensure connections are correct
and reliable.
(optional) Earth
Safety Ground
General Return to other boost-
ers and devices

Table of Contents