EasyManua.ls Logo

Dimplex AC45N - Page 3

Dimplex AC45N
19 pages
Print Icon
To Next Page IconTo Next Page
To Next Page IconTo Next Page
To Previous Page IconTo Previous Page
To Previous Page IconTo Previous Page
Loading...
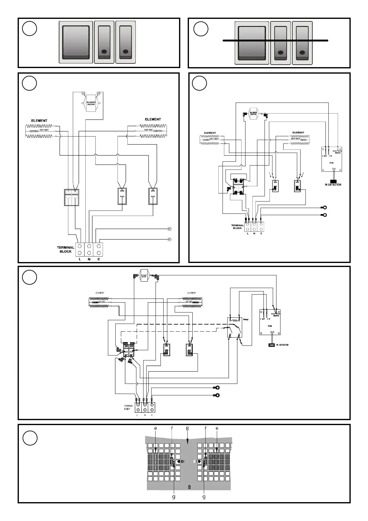
AC3N, AC45N &AC6N
AC3RN
9
10
11 12
AUTO
MAN
14
13
N.v.t.

Other manuals for Dimplex AC45N

Related product manuals