EasyManua.ls Logo

Dimplex BWP 30 H - Electrical Schematic: No Internal Heat Exchanger

Dimplex BWP 30 H
21 pages
Print Icon
To Next Page IconTo Next Page
To Next Page IconTo Next Page
To Previous Page IconTo Previous Page
To Previous Page IconTo Previous Page
Loading...
A-VI
Anhang · Appendix · Annexes
2.2
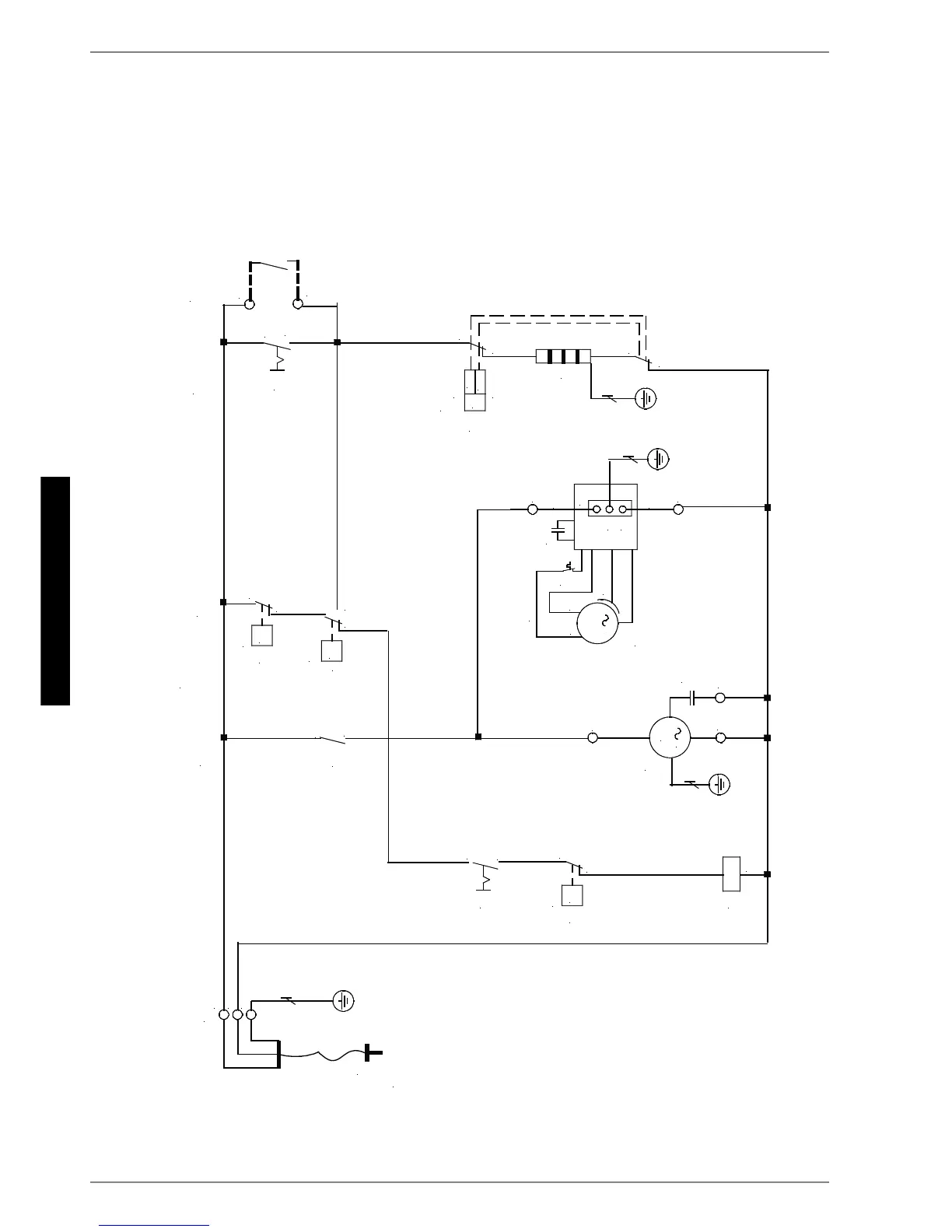
2.2 Warmwasser-Wärmepumpen ohne innerem Wärmetauscher / Hot-
Water Heat Pumps without Internal Heat Exchanger / Pompes à chaleur
pour eau chaude sans échangeur thermique intégré
;
$
.
$
$
&
0
0
/
1
EO

3(
3
)
&
EQ
.

0
;
&
;
0
/13(9$&+]
;
3!)
EDU
;
/
3(
1
7
%
.


&


(
%
)

&
75
67%
&
7!
&

6
6
7!
%
&
;
;
JUQJHOE
*UHHQ\HOORZ
YHUWMDXQH
VFKZDU]
%ODFN
QRLU
:lUPHSXPSH
+HDWSXPS
3RPSHjFKDOHXU
(OHNWUR+HL]VWDE
(OHFWULFKHDWLQJHOHPHQW
&DUWRXFKHFKDXIIDQWHpOHFWULTXH
9HUGLFKWHU
&RPSUHVVRU
&RPSUHVVHXU
9HQWLODWRU
9HQWLODWRU
9HQWLODWHXU
3RW
IUHLHU.RQWDNW
IU+HL]VWDEDQVW
)ORDWLQJFRQWDFW
IRUKHDWLQJHOHPHQWFRQWURO
&RQWDFWOLEUHGHSRWHQWLHO
SRXUFRPPDQGHFDUWRXFKHFKDXII

9$&PLQ$

Table of Contents

Related product manuals