EasyManua.ls Logo

Dimplex QM050 - Page 16

Dimplex QM050
16 pages
Print Icon
To Previous Page IconTo Previous Page
To Previous Page IconTo Previous Page
Loading...
- 16 -
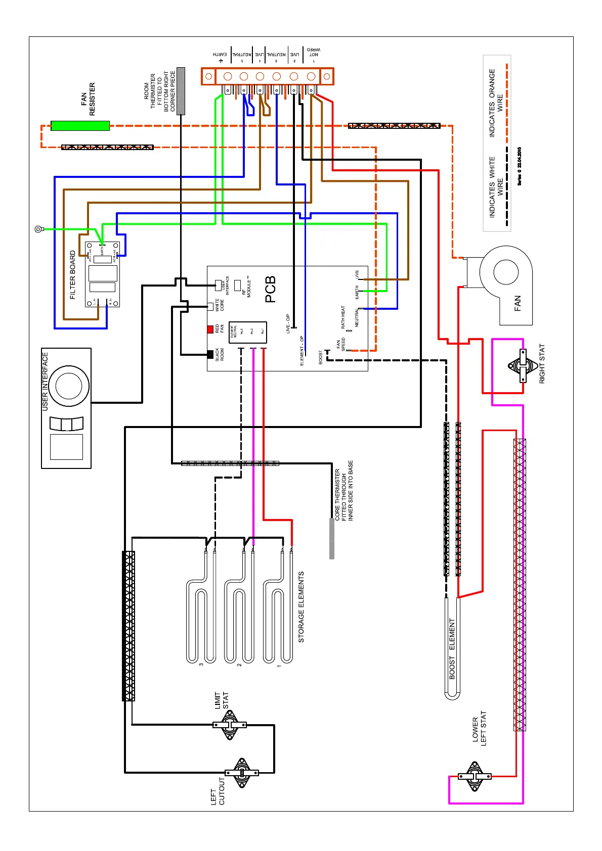
Circuit Diagram
Series G

Other manuals for Dimplex QM050

Related product manuals