EasyManua.ls Logo

Dimplex QM125 - Page 38

Dimplex QM125
40 pages
Print Icon
To Next Page IconTo Next Page
To Next Page IconTo Next Page
To Previous Page IconTo Previous Page
To Previous Page IconTo Previous Page
Loading...
- 38 -
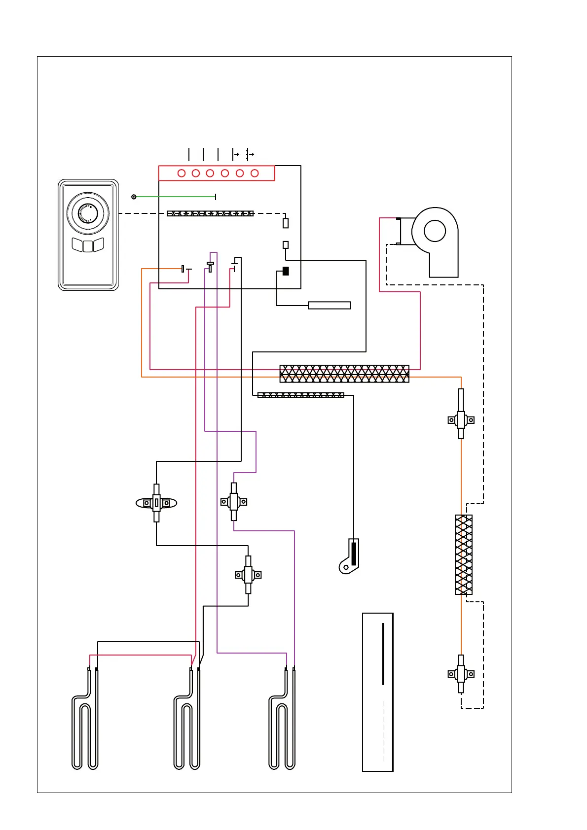
Circuit Diagram - QM Series Y
INDICATES WHITE WIRE INDICATES BLACK WIRE
LOWER
LEFT STAT
(145° BLUE)
LOWER
RIGHT STAT
(145° BLUE)
ROOM
THERMISTOR
FITTED
TO MAIN
CONTROLLER
MODULE
BOOST LIMIT
STAT (120° GREEN)
MANUAL CUTOUT
(140°)
USER INTERFACE
EARTH
EARTH / EARTH
BLANK
NEUTRAL (PEAK)
LIVE (PEAK)
LIVE (OFF-PEAK)
NEUTRAL (OFF-PEAK)
FAN
PCB
LIMIT STAT
(125° BLACK)
CORE THERMISTOR
MOUNTED TO INNER SIDE
(o/w PLASTIC HOUSING)
STORAGE ELEMENTS




Other manuals for Dimplex QM125

Related product manuals