EasyManua.ls Logo

dirna Bergstrom bycool SPLIT - Page 11

dirna Bergstrom bycool SPLIT
Print Icon
To Next Page IconTo Next Page
To Next Page IconTo Next Page
To Previous Page IconTo Previous Page
To Previous Page IconTo Previous Page
Loading...
SPLIT
11
ES
Air conditioning for vehicles
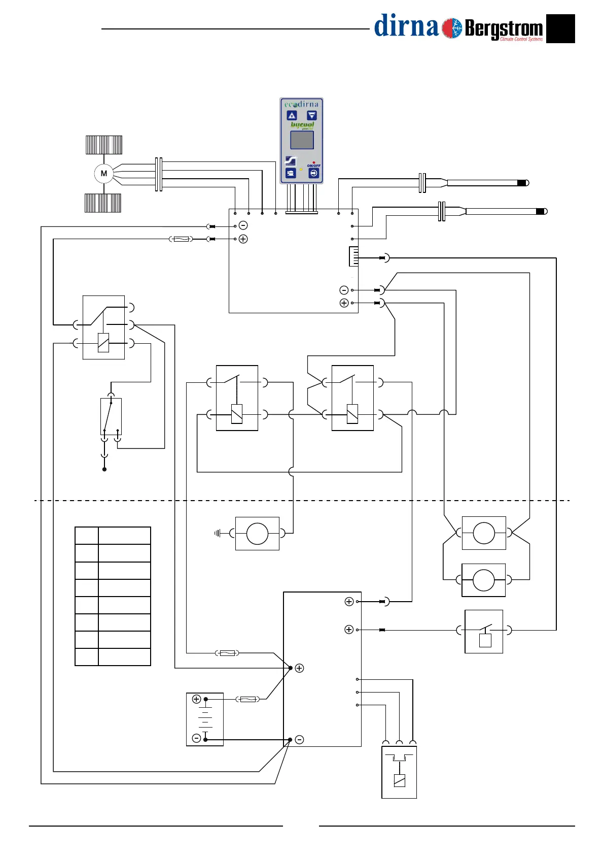
ESQUEMA ELÉCTRICO
Na
R
A
N
N
N
B
B
N
N
B
B
85
86
30
87
87a
86
85
30
87
86
85
30
87
M
M
P
M
ºC
ºF
TEMP
R
M
R
M
R
R
M
R
R
V
R
R
N
R R
R
R
R
Az
M
M
Az
R
A
Az Az
Az
R
R
N
N
R
N
N
N
R
N
V Az
R
R
R
R
R
RM
R
V
3A
50A
SOPLADOR
CINTA
12V - 25A
24V - 15A
RELÉ
RELÉ
ELECTRO

COMPRESOR
BATERÍA
COMPRESOR
PRESOSTATO
ELECTROS
RELÉ

(+) CON
MOTOR ARRANCADO

SONDA ANTIHIELO
ELECTRONICA
Az Azul
N Negro
R 
V Verde
B Blanco
A Amarillo
Na 
M Marrón

Other manuals for dirna Bergstrom bycool SPLIT

Related product manuals