EasyManua.ls Logo

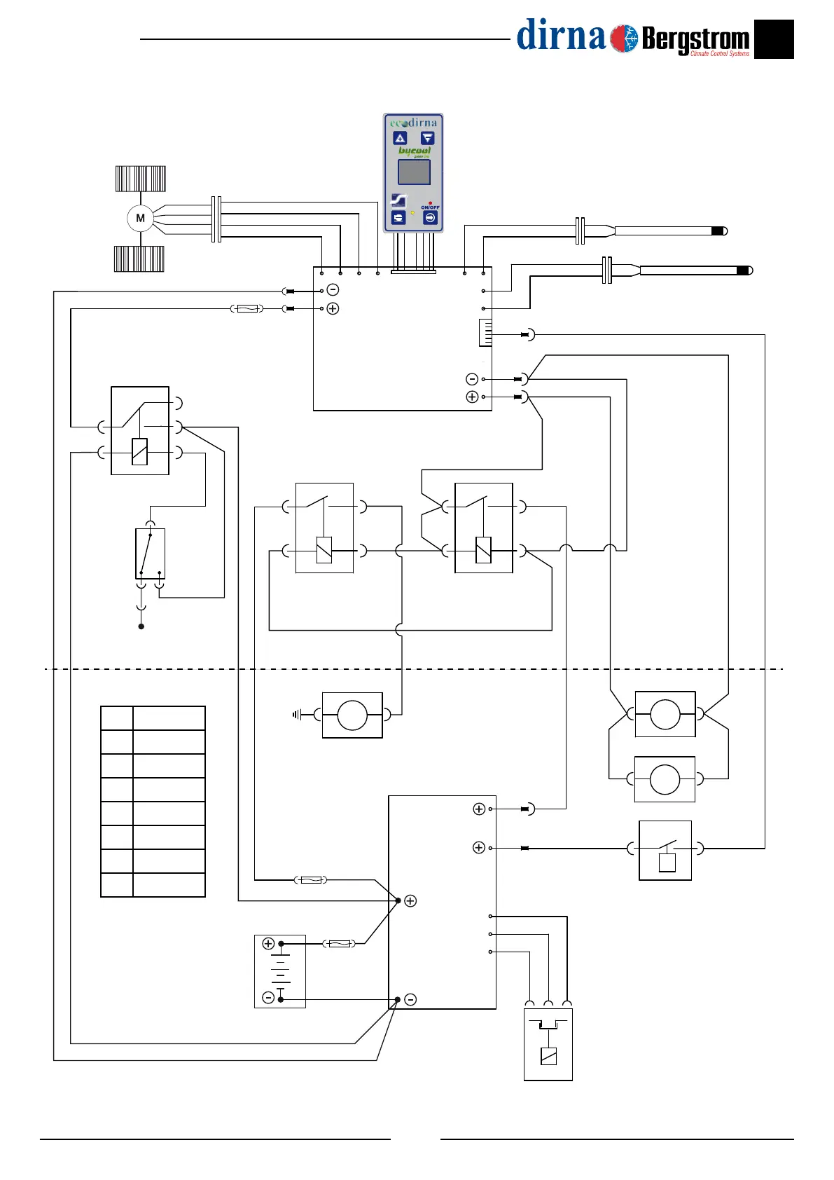
dirna Bergstrom bycool SPLIT - WIRING DIAGRAM

dirna Bergstrom bycool SPLIT
Print Icon
To Next Page IconTo Next Page
To Next Page IconTo Next Page
To Previous Page IconTo Previous Page
To Previous Page IconTo Previous Page
Loading...
SPLIT
21
EN
Air conditioning for vehicles
WIRING DIAGRAM
Na
R
A
N
N
N
B
B
N
N
B
B
85
86
30
87
87a
86
85
30
87
86
85
30
87
M
M
P
M
ºC
ºF
TEMP
R
M
R
M
R
R
M
R
R
V
R
R
N
R R
R
R
R
Az
M
M
Az
R
A
Az Az
Az
R
R
N
N
R
N
N
N
R
N
V Az
R
R
R
R
R
RM
R
V
3A
50A

BELT
12V - 25A
24V - 15A
RELAY
RELAY
FAN
COMPRESSOR

BATTERY
COMPRESSOR


FANS
RELAY

(+) POSITIVE

ANTI-FREEZE SENSOR

ELECTRONICS
Az Blue
N Black
R Red
V Green
B 
A Yellow
Na Orange
M Brown

Other manuals for dirna Bergstrom bycool SPLIT

Related product manuals