EasyManua.ls Logo

dirna Bergstrom bycool SPLIT - Page 31

dirna Bergstrom bycool SPLIT
Print Icon
To Next Page IconTo Next Page
To Next Page IconTo Next Page
To Previous Page IconTo Previous Page
To Previous Page IconTo Previous Page
Loading...
SPLIT
31
FR
Air conditioning for vehicles
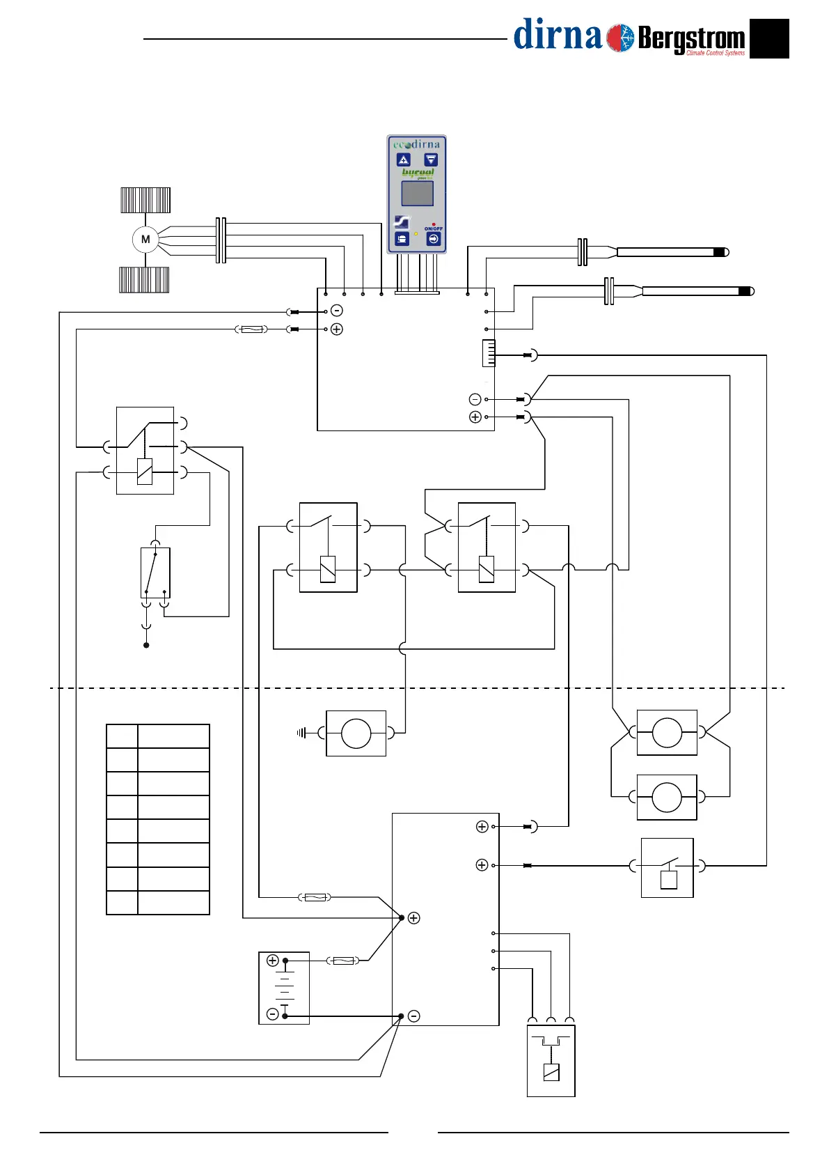
SCHÉMA ÉLECTRIQUE
Na
R
A
N
N
N
B
B
N
N
B
B
85
86
30
87
87a
86
85
30
87
86
85
30
87
M
M
P
M
ºC
ºF
TEMP
R
M
R
M
R
R
M
R
R
V
R
R
N
R R
R
R
R
Az
M
M
Az
R
A
Az Az
Az
R
R
N
N
R
N
N
N
R
N
V Az
R
R
R
R
R
RM
R
V
3A
50A

BANDE
12V - 25A
24V - 15A
RELAIS
RELAIS
ÉLECTRO


BATTERIE

PRESSOSTAT
ÉLECTROS
RELAIS

(+) POSITIF AVEC


SONDE ANTIGIVRE

Az Bleu
N Noir
R Rouge
V Vert
B Blanc
A Jaune
Na Orange
M Brown

Other manuals for dirna Bergstrom bycool SPLIT

Related product manuals