EasyManua.ls Logo

dirna Bergstrom bycool SPLIT - Page 41

dirna Bergstrom bycool SPLIT
Print Icon
To Next Page IconTo Next Page
To Next Page IconTo Next Page
To Previous Page IconTo Previous Page
To Previous Page IconTo Previous Page
Loading...
SPLIT
41
GE
Air conditioning for vehicles
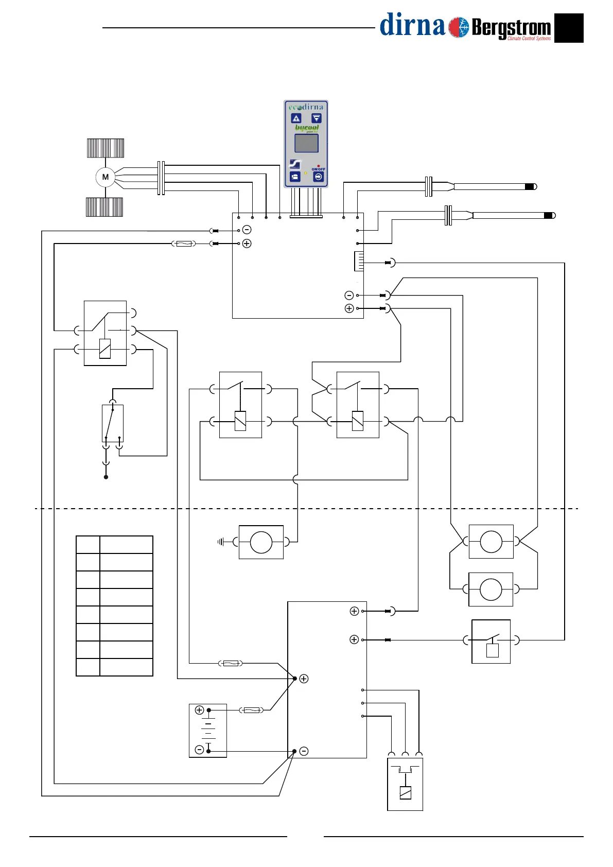
SCHALTPLAN
Na
R
A
N
N
N
B
B
N
N
B
B
85
86
30
87
87a
86
85
30
87
86
85
30
87
M
M
P
M
ºC
ºF
TEMP
R
M
R
M
R
R
M
R
R
V
R
R
N
R R
R
R
R
Az
M
M
Az
R
A
Az Az
Az
R
R
N
N
R
N
N
N
R
N
V Az
R
R
R
R
R
RM
R
V
3A
50A

BAND
12V - 25A
24V - 15A
RELAIS
RELAIS
ELEKTROLÜFTER
VERDICHTER-

BATTERIE
VERDICHTER
-
CHTER
ELEKTROLÜFTER
RELAIS
SCHALTER
(+) POSITIV BEI

RÜCKFÜHRSONDE

ELEKTRONIK
Az Blau
N Schwarz
R Red
V Grün
B 
A Gelb
Na Orange
M Brown

Other manuals for dirna Bergstrom bycool SPLIT

Related product manuals