EasyManua.ls Logo

dirna Bergstrom Slim - Page 13

dirna Bergstrom Slim
Print Icon
To Next Page IconTo Next Page
To Next Page IconTo Next Page
To Previous Page IconTo Previous Page
To Previous Page IconTo Previous Page
Loading...
13
SLIM
ES
®
Gr
R-B
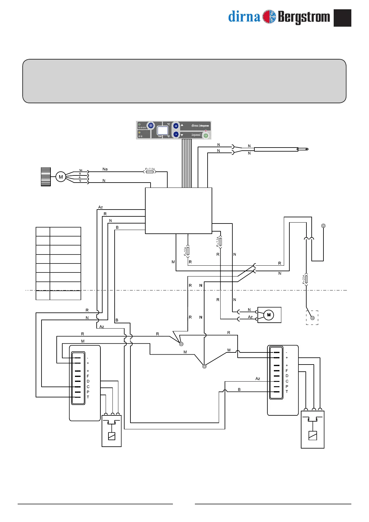
VEHÍCULOS SIN CABLEADO ORIGINAL DE ALIMENTACIÓN- Esquema eléctrico
¡AVISO IMPORTANTE!
Precaución de no invertir las polaridades al conectar el equipo. Si esto sucediera, la placa de mandos
no se enciende y el equipo no funciona.
Az Azul
N Negro
R Rojo
V Verde
B Blanco
A Amarillo
Na Naranja
M Marrón
Sensor
aire de retorno
Control
electrónico
Soplador
centrífugo
Ventilador del
condensador
Toma de
positivo
delantera
Centro de masas
Módulo
electrónico
compresor
Módulo
electrónico
compresor
1 Compresor
2 Compresor
2,9 Amp.
PWM.
NTC 15KΩ a 25º
Consumo 30 mAmp.
2,6 Amp.

Related product manuals