EasyManua.ls Logo

dirna Bergstrom Slim - Page 49

dirna Bergstrom Slim
Print Icon
To Next Page IconTo Next Page
To Next Page IconTo Next Page
To Previous Page IconTo Previous Page
To Previous Page IconTo Previous Page
Loading...
49
SLIM
GE
®
Gr
R-B
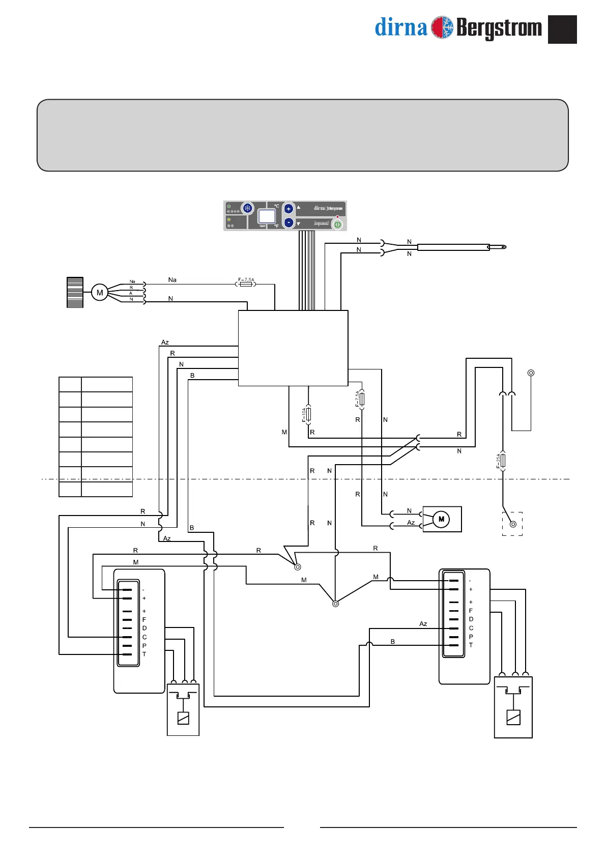
FAHRZEUGE OHNE ORIGINAL-NETZKABEL- Elektroschema
WICHTIGER HINWEIS!
Darauf achten, dass die Polaritäten beim Anschluss des Geräts nicht vertauscht werden. Ist dies der Fall,
schaltet sich die Bedientafel nicht ein und das Gerät funktioniert nicht.
Az Blau
N Chwarz
R Rot
V Grün
B Weiss
A Gelb
Na Oranbe
M Braun
Abluftsensor
Elektroniksteuerung
Doppelradialgebläse
Kondensatorlüfter
Unter
positiven
Front
Mitte der Masse
Kompressor
electronisches
modul
Kompressor
electronisches
modul
1 Kompressor
2 Kompressor
2,9 Amp.
PWM.
NTC 15KΩ a 25º
Stromverbrauch 30 mAmp.
2,6 Amp.

Related product manuals