EasyManua.ls Logo

dirna Bergstrom Slim - Page 61

dirna Bergstrom Slim
Print Icon
To Next Page IconTo Next Page
To Next Page IconTo Next Page
To Previous Page IconTo Previous Page
To Previous Page IconTo Previous Page
Loading...
61
SLIM
IT
®
Gr
R-B
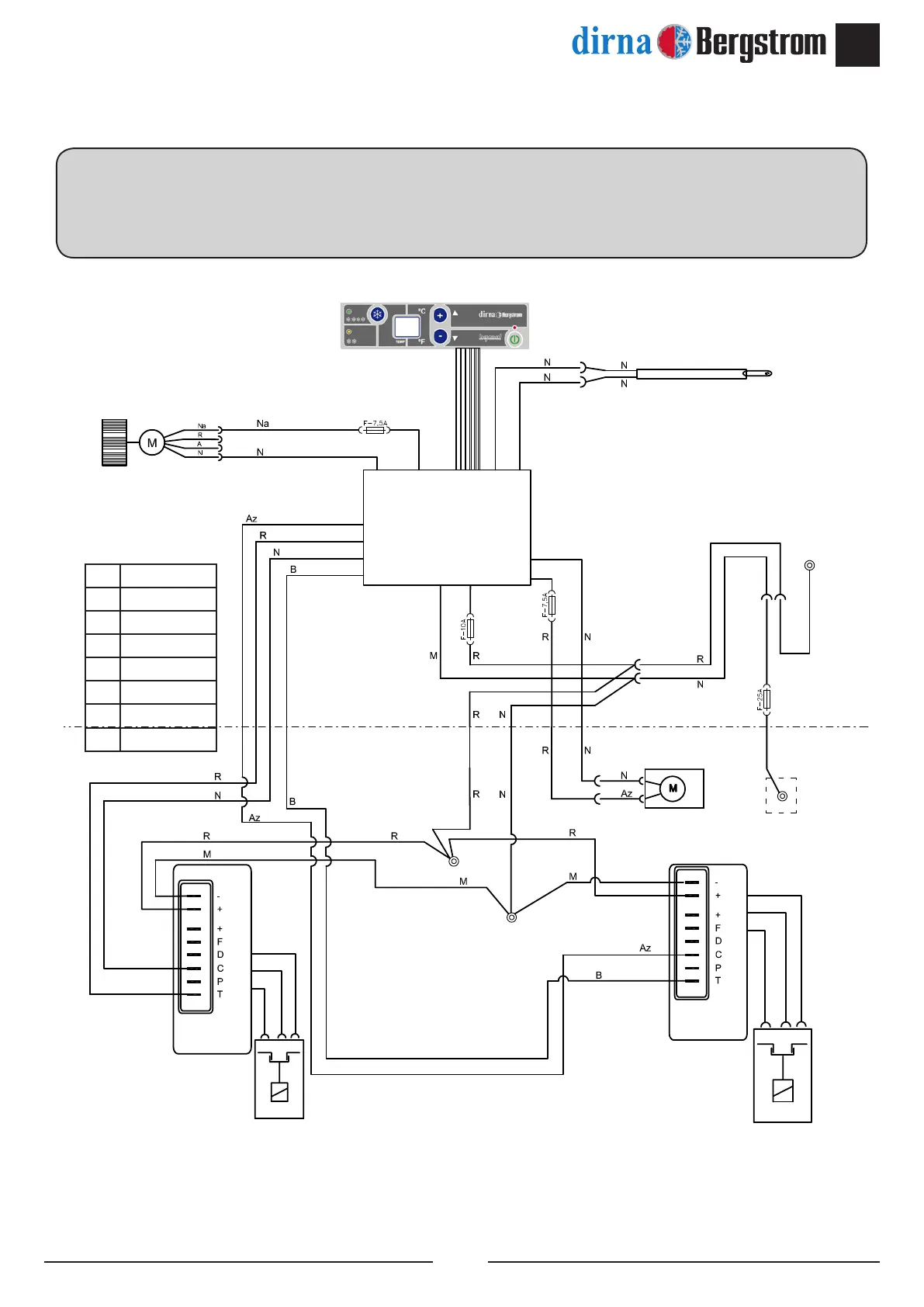
VEICOLI SENZA CABLAGGIO DI ALIMENTAZIONE ORIGINALE- Schema elettrico
AVVERTENZA IMPORTANTE!
Fare attenzione a non invertire le polarità quando si esegue il collegamento dell’impianto. Infatti, in tal
caso il quadro comandi non si accende e l’impianto non funziona.
Az Blu
N Nero
R Rosso
V Verde
B Bianco
A Giallo
Na Arancione
M Marrone
Sensore
aria ritorno
Controllo
elettronico
Ventilatore
centrifugo
Ventilatore
condensatore
Assunzione
di fronte
positivo
Centro di massa
Controllo
elettronico
compressore
Controllo
elettronico
compressore
1 Compressore
2 Compressore
2,9 Amp.
PWM.
NTC 15KΩ a 25º
Consumo elettrico 30 mAmp.
2,6 Amp.

Related product manuals