EasyManua.ls Logo

dirna Bergstrom Slim - Page 73

dirna Bergstrom Slim
Print Icon
To Next Page IconTo Next Page
To Next Page IconTo Next Page
To Previous Page IconTo Previous Page
To Previous Page IconTo Previous Page
Loading...
73
SLIM
CZ
®
Gr
R-B
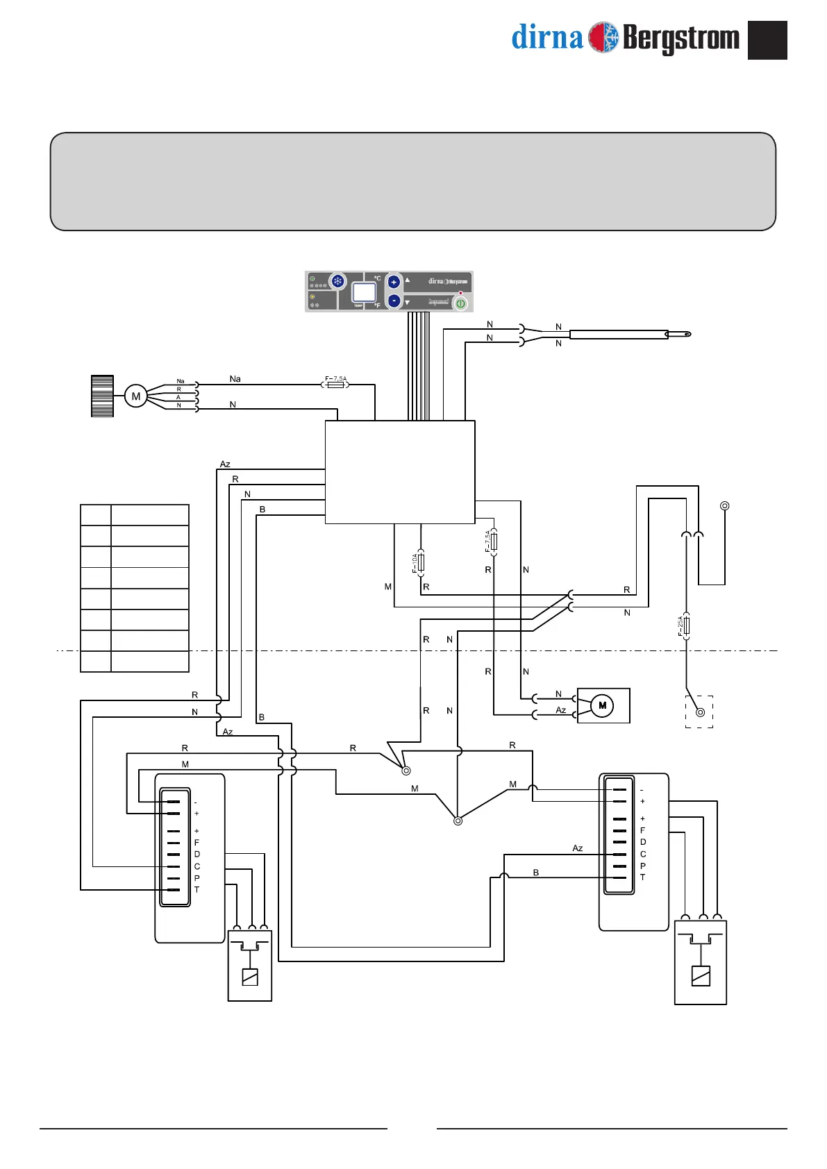
VOZIDLA BEZ PŮVODN9CH NAPÁJECÍCH KABELŮ- Elektrické schéma
DŮLEŽITÉ UPOZORNĚNÍ!
Věnujte zvláštní pozornost polaritě kabelů při zapojení zařízení k napájení. V případě záměny polarity se
ovládací panel nerozsvítí a zařízení nebude fungovat.
Az Modrá
N Černá
R Červená
V Zelená
B Bílá
A Žlutá
Na Oranžová
M Hnědá
Senzor zpětného
vzduchu
Elektronická
jednotka
Odstředivé
dmychadlo
Ventilátor
kondenzátoru
Přední
kladná
přípojka
Uzemnění
Elektronická
jednotka
kompresoru
Elektronická
jednotka
kompresoru
1 Kompresor
2 Kompresor
2,9 Amp.
PWM.
NTC 15KΩ a 25º
Spotřeba 30 m Amp.
2,6 Amp.

Related product manuals