EasyManua.ls Logo

dirna Bergstrom Slim - Page 85

dirna Bergstrom Slim
Print Icon
To Next Page IconTo Next Page
To Next Page IconTo Next Page
To Previous Page IconTo Previous Page
To Previous Page IconTo Previous Page
Loading...
85
SLIM
RU
®
Gr
R-B
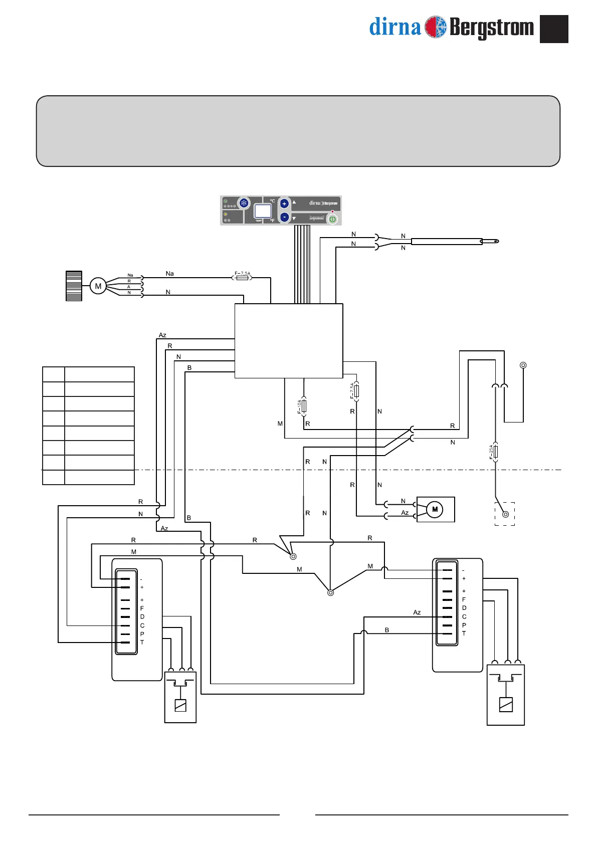
АВТОМОБИЛИ БЕЗ ОРИГИНАЛЬНОГО КАБЕЛЯ ПИТАНИЯ Электрическая схема
ВАЖНОЕ ПРЕДУПРЕЖДЕНИЕ!
Соблюдайте правильную полярность при подключении оборудования. В противном случае панель
управления не загорится и устройство не будет работать.
Az Голубой
N Черный
R Красный
V Зеленый
B Белый
A Желтый
Na Оранжевый
M Коричневый
Датчик рециркуляционного
воздуха
Электронный блок
управления
Центробежная
воздуходувка
Вывод на
массу
Вывод на
плюс
Вентилятор конденсатора
Электронный
модуль
компрессора
Электронный
модуль
компрессора
1 Компрессор
2 Компрессор
2,9 Amp.
PWM.
NTC 15KΩ a 25º
Потребление 30 мА
2,6 Amp.

Related product manuals