EasyManua.ls Logo

DK Digital DVD-538 - Audio Connection Types

DK Digital DVD-538
28 pages
Print Icon
To Next Page IconTo Next Page
To Next Page IconTo Next Page
To Previous Page IconTo Previous Page
To Previous Page IconTo Previous Page
Loading...
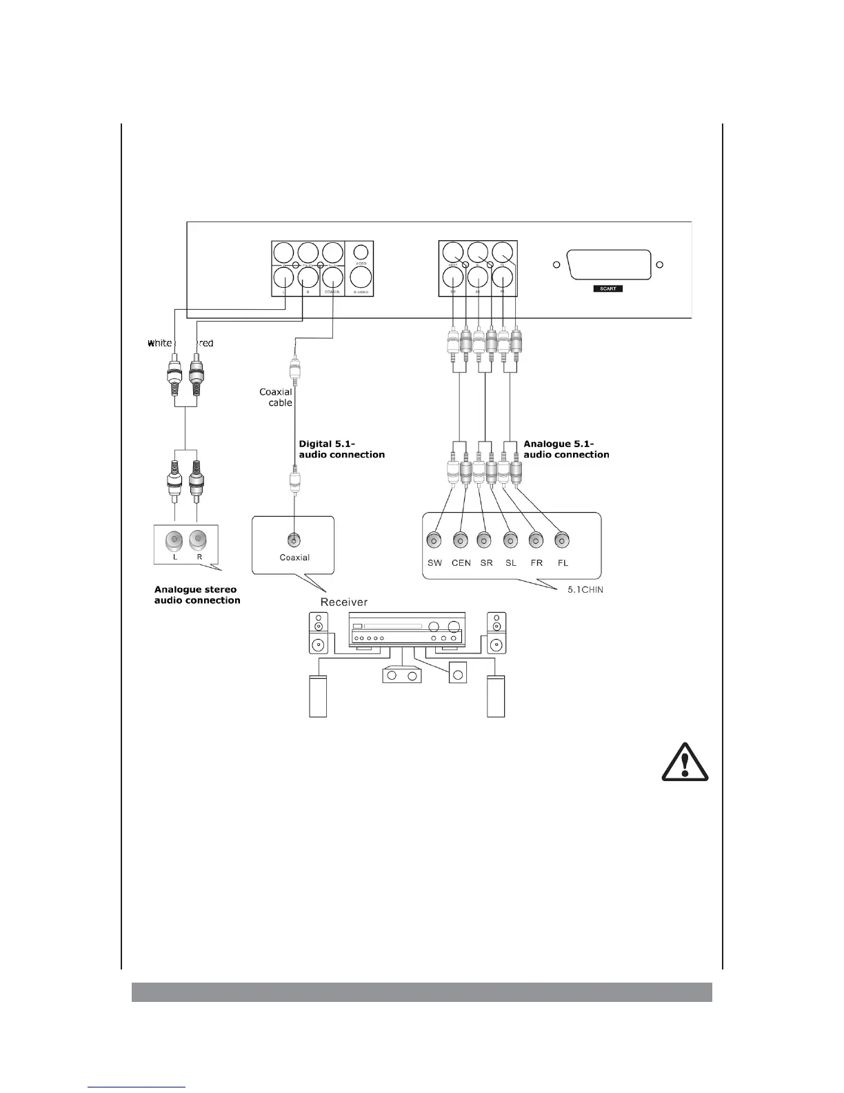
The audio connection
This diagram shows you the different audio connections that are possible. Here also it is
sufficient to establish only one of the connections. Your choice would depend on the
connections available on the existing audio devices.
Caution!
Never connect the coaxial output of the DVD player to the coaxial input of a device
which does not have a DOLBY DIGITAL AC 3 or a DTS decoder otherwise this could
damage your speakers.
13

Related product manuals