EasyManua.ls Logo

DLS CC-44 - Tools and Materials Needed; Wiring & Crossovers: Power and Remote Wiring

DLS CC-44
12 pages
Print Icon
To Next Page IconTo Next Page
To Next Page IconTo Next Page
To Previous Page IconTo Previous Page
To Previous Page IconTo Previous Page
Loading...
3
Tools and material needed
Tools:
Flat and Phillips screwdrivers
Wire cutter
Wire stripper
Electric drill with drills
Crimping tool
Digital multimeter or test lamp
Wire brush, scraper or a piece
of an abrasive sheet to remove
paint for a good ground connection
Grease to protect the ground
connection from oxidation
Material:
Speaker wire: minimum
12 AWG = 4 mm
2
for subwoofers con-
nected to CC-500 / CC-1000
13 – 16 AWG = 1,5 - 2,5 mm
2
for other
speakers
Sheet metal screws for mounting the
amplifier to the amplifier board and the
amplifier board to the car + some extra
for fuse holder, amplifier ground etc.
Electrical insulation tape
½ inch thick plywood or particle board
for the amplifier to be mounted upon.
Amplifier installation kit:
If available,buy an amplifier installation kit. It con-
tains normally all you need. This is what you have
to buy if you buy the items separately
20- 25 feet = 6-7.5 meter power cable,
minimum AWG 8 = 10 mm
2
or heavier
1 pc of fuseholder to install close to the
car battery + fuse 40 -50 Ampere.
20 feet of AWG 15 = 1,5 mm
2
wire for
remote turn on / off cable from radio.
RCA-cable for input from radio.
- 20 feet or 5 meter for trunk installa
tions
-12 feet or 2 – 3 meter for under seat
installations
Two ring crimp terminals (RT22) –one
for connection to the battery plus and
one for the amplifier ground connec-
tion.
Four to eight splicers to connect
spea
ker cables to high level input cable, if
high level input is used.
Wire ties
Insulating grommet or insulating tube
Power wiring
Use only ATC blade type fuses
of the same value when repla-
cing a blown fuse.
CC-500, CC-1000 & CC-44 has
no internal fuse so we recom-
mend the use of an external
fuse.
Fuses
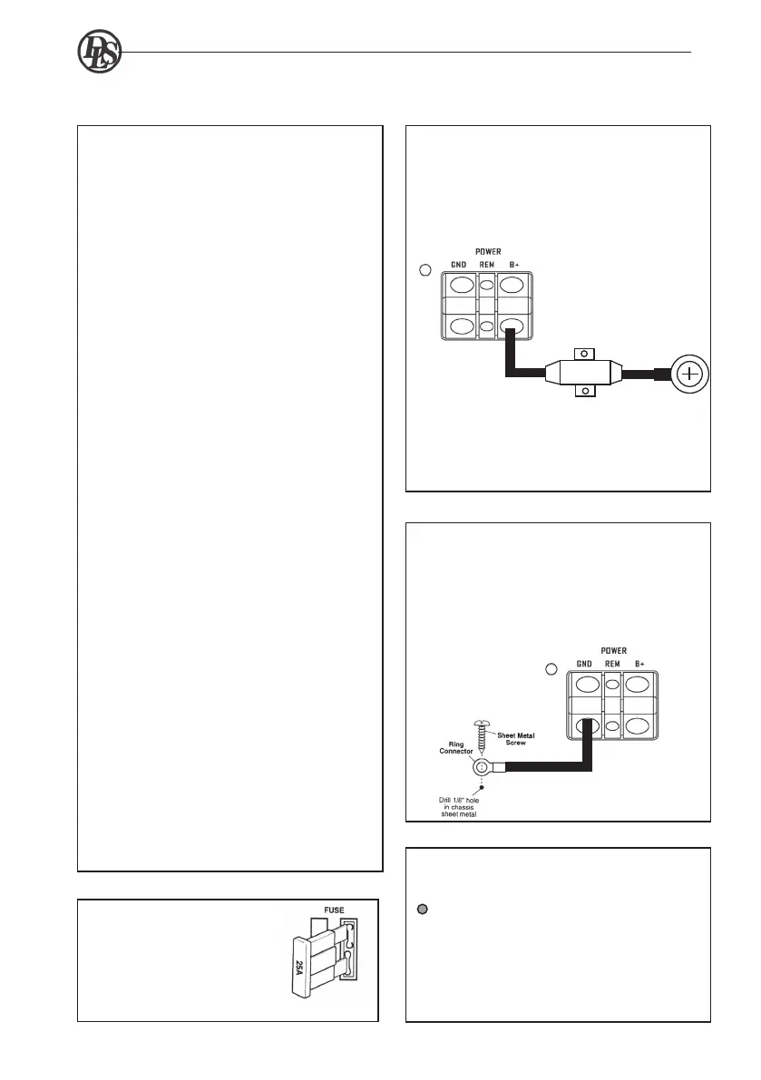
Power terminal ( +12V)
Be sure to use a rubber grommet or a plastic insu-
lating tube where the cable passes the firewall or
other places where it can be easily jammed.
Use wire ties to secure to existing cables in the
engine compartment.
Connect the fuse holder as close to the vehicle
battery + as possible, using AWG 4 /5 = 21 / 16
mm
2
power cable. Use a ring crimp terminal to
connect to battery. The AWG4 cable can use an
80 Amp fuse, if the cable is smaller, the fuse va-
lue must be lower (see table on previous page).
This fuse is to procect from cable fire!
Battery
+ pole
Ground Terminal ( GND )
Connect to a good chassis ground. The ground
connection should be clean, unpainted metal to
provide a good electrical connection. Use a wire
brush, a scraper or a piece of an abrasive sheet
to clean the metal. Use a lock washer or two to
secure contact. Protect with silicon grease or by
paint applied afterwards.
Power
(Green)
Protect
(Red)
Power Light / Protect light
The power indicator (green ) is lit when
the amplifier is turned on.
The protect indicator ( red ) is lit when
the amplifier shuts down from over-hea-
ting, or a short circuit (speaker failure).
Turn off your audio system to reset the
amplifier if the red protect light is turned
on. If the red lamp doesn’t turn off, con-
tact your local dealer for advice.
DLS FH1
fuse holder
DLS

Related product manuals