EasyManua.ls Logo

dolycon CT112 Series - Page 24

dolycon CT112 Series
60 pages
Print Icon
To Next Page IconTo Next Page
To Next Page IconTo Next Page
To Previous Page IconTo Previous Page
To Previous Page IconTo Previous Page
Loading...
Solar Pump Inverter Chapter 3 System Collection Diagram
20
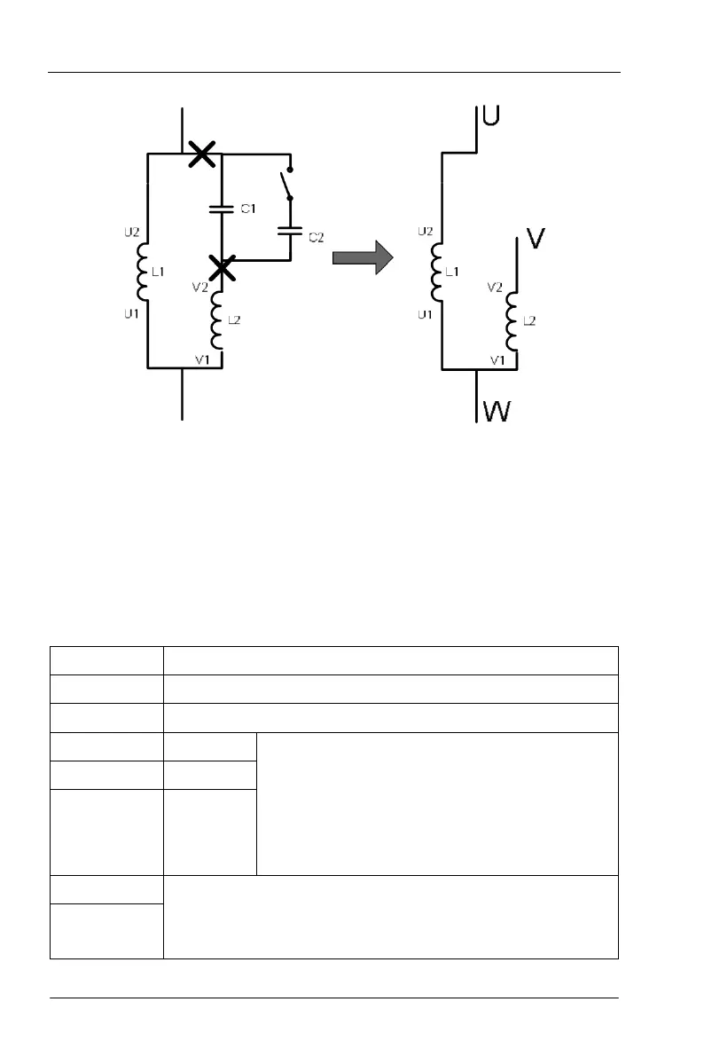
U1 and V1 are common ends of winding to connect with W phase output of solar Pump
inverter, connect U2 end of running winding to U phase output and connect V2 of starting
winding to V phase output.
After adjustment of positive way, change the running direction by F00.13 as same with
positive/negative way control of three phase motor.
3.2.3 Communication terminal description
Terminal name Description
PE Grounding terminal
COM +24V common terminal
DI2 Switch input2
1Internal impedance:3.3kΩ
2Acceptable 12~30V voltage input
3Single-way input terminal, only supports NPN wiring.
4Maximum input frequency:1kHz
5.Programmable digital input terminal, user can set
terminal functions by function codes.
6DI1 short circuit
with COM by default internally, no
leading outwards.
DI3 Switch input 3
DI4 Switch input 4
485+
485 communication interface,485 differential signal interface, standard
485 communication port connects in twisted pair cable or shielded
cable.
485-

Related product manuals