EasyManua.ls Logo

Dometic RM2351 - Page 16

Dometic RM2351
34 pages
Print Icon
To Next Page IconTo Next Page
To Next Page IconTo Next Page
To Previous Page IconTo Previous Page
To Previous Page IconTo Previous Page
Loading...
15
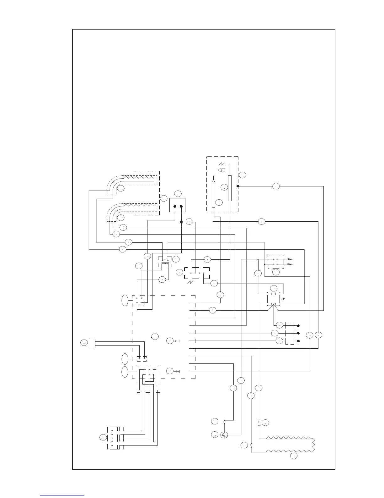
J1
J2
J3
J4
J5
J6
J7
J8
J9
J10
B
BLACK
BROWN
RED
ORANGE
GREEN
C
WHITE
WHITE
T
7
6
7
6
1
2 3
N
L
+
-
12V DC
L
4
2
1
2
2
A
CIRCUIT BOARD POWER MODULE
CIRCUIT BOARD DISPLAY
B
C
THERMISTOR
GAS VALVE
D
E
REIGNITER
THERMOCOUPLE
F
G
ELECTRODE
RETAINER FOR BURNER
H
I
TERMINAL BLOCK
GROUND TERMINAL STRIP
J
K
ABSORPTION UNIT
HEATER 120V AC
L
M
HEATER 12V DC
LIGHT
N
O
SWITCH
FUSE 3A
P
Q
FUSE 5A
DC HEATER RELAY
R
S
HEATING CABLE
SWITCH
T
U
TERMINAL BLOCK
1
WHITE
BLACK
2
3
GREEN
GREEN/YELLOW
4
5
GREY
BROWN
6
7
BLUE
YELLOW
8
BLUE
BLUE
WHITE
12V DC
120V AC
ML
2
9
2
2
D
7
1
K
U
9
2
J
7
E
R
5
F
G
8
A
N
O
I
H
P3
YELLOW
P Q
S
P2
P1
GND
2
9
RED
3308727.001
CURRENT CONTROL SYSTEM WIRING 2 WAY WILL NOT HAVE DC RELAY & HEATER
Part number 3850415013
A---CIRCUIT BOARD POWER MODULE
B---CURCUIT BOARD DISPLAY
C---THERMISTOR
D---REIGNITER
F---THERMOCOUPLE
G---ELECTRODE
H---RETAINER FOR BURNER
I--- TERMINAL BLOCK
J--- GROUND TERMINAL STRIP
K--- ABSORPTION UNIT
L--- HEATER 120V AC
M-- HEATER 12V DC
N-- LIGHT
O-- SWITCH
P-- FUSE 3 AMP
Q-- FUSE 5 AMP
R-- DC HEATER RELAY
S-- HEATING CABLE
T-- SWITCH
U-- TERIMAL BLOCK
1-- WHITE
2-- BLACK
3-- GREEN
4-- GREEN/YELLOW
5-- GRAY
6-- BROWN
7-- BLUE
8-- YELLOW
9-- RED

Other manuals for Dometic RM2351

Related product manuals