EasyManua.ls Logo

Dometic RM2351 - Page 17

Dometic RM2351
34 pages
Print Icon
To Next Page IconTo Next Page
To Next Page IconTo Next Page
To Previous Page IconTo Previous Page
To Previous Page IconTo Previous Page
Loading...
16
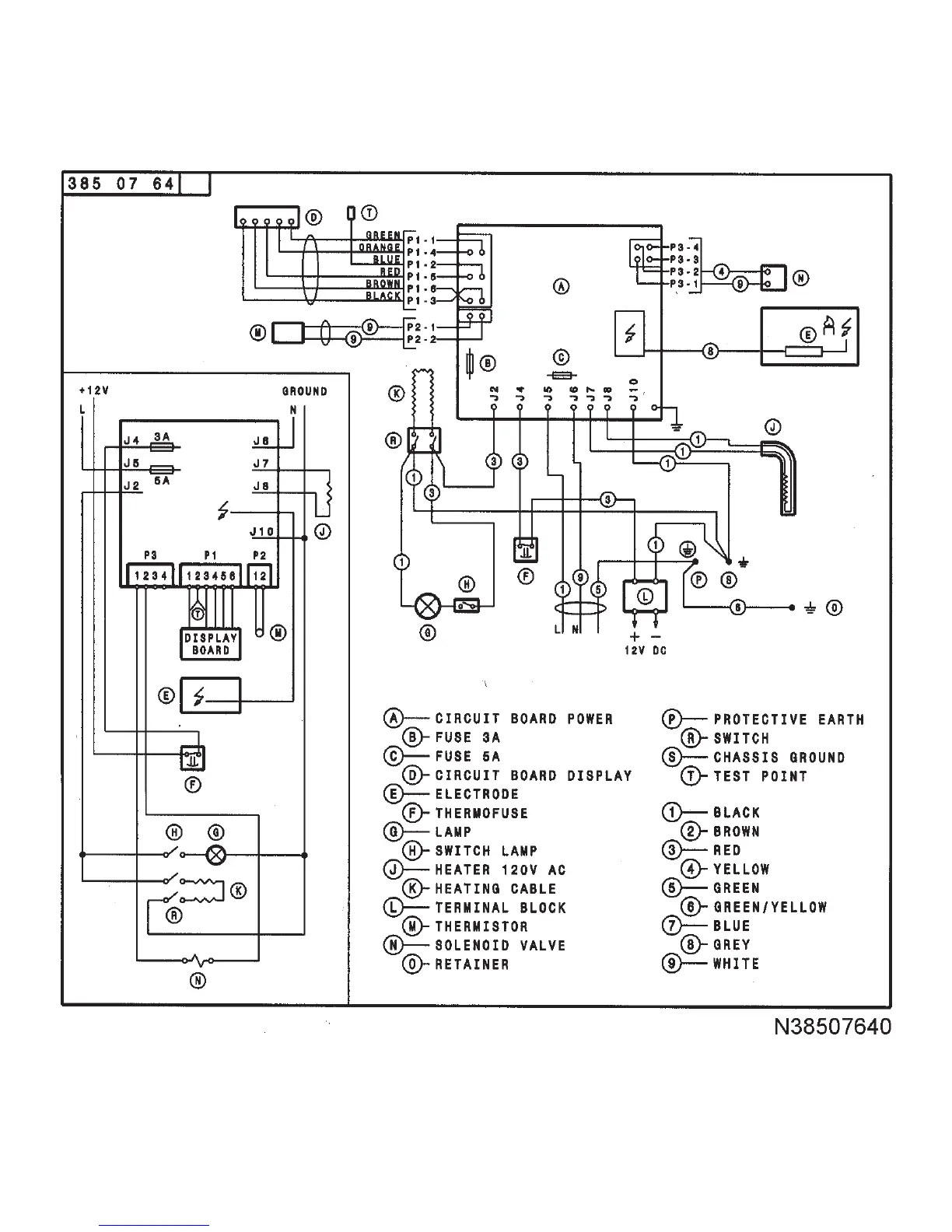
WIRING INTERGRATED IGNITER CONTROL
Part number 3850712013

Other manuals for Dometic RM2351

Related product manuals