EasyManua.ls Logo

Dometic RM2354 - Page 46

Dometic RM2354
54 pages
Print Icon
To Next Page IconTo Next Page
To Next Page IconTo Next Page
To Previous Page IconTo Previous Page
To Previous Page IconTo Previous Page
Loading...
- 46 -
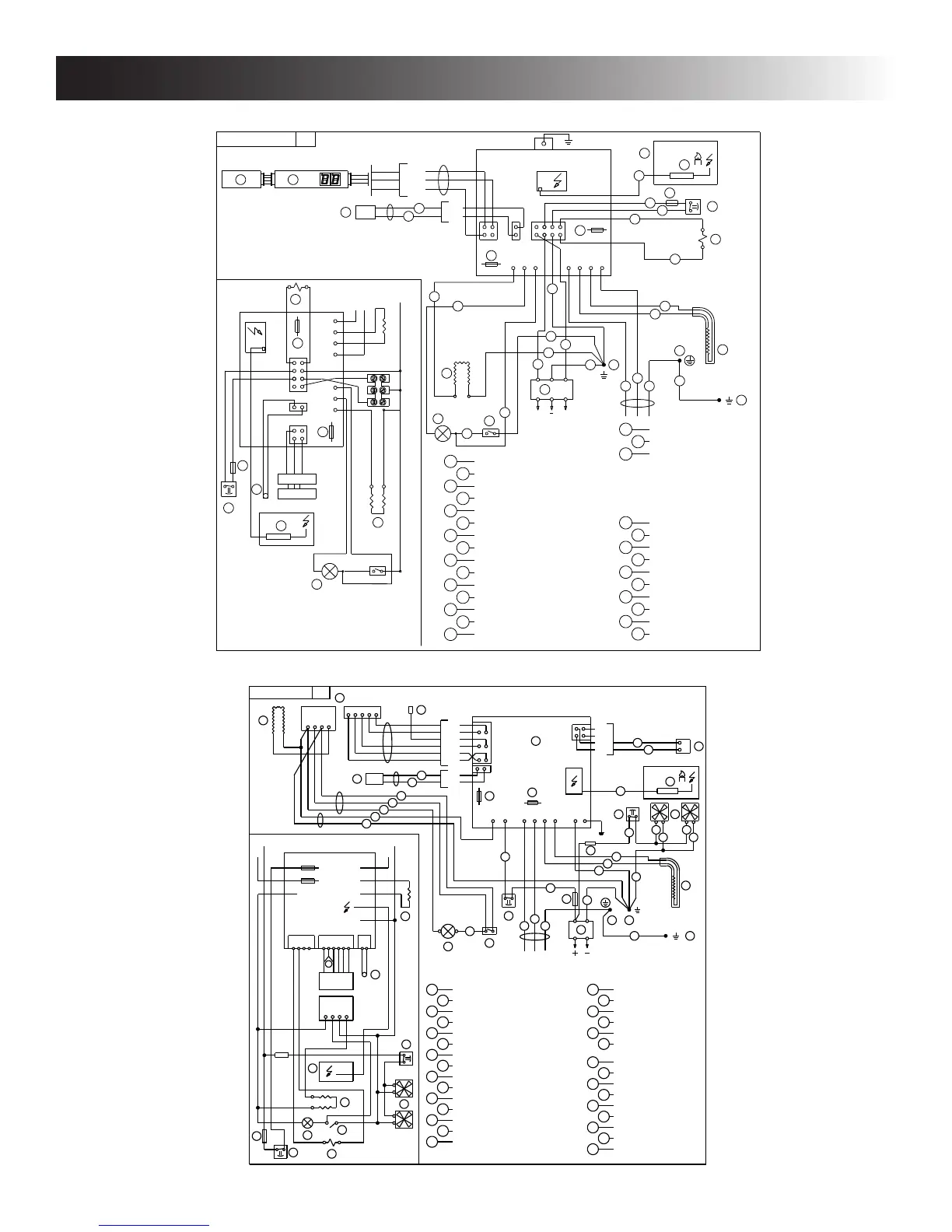
NDM1062 (STAINLESS STEEL DOORS)
U
3
1 2 V D C
H
A
B
C
D
E
F
G
C I R C U I T B O A R D D I S P L A Y
F U S E 5 A
S W I T C H L A M P
L
K
H E A T E R 1 2 0 V A C
L A M P
M
N
T H E R M O F U S E
P R O T E C T I V E E A R T H
R
T E S T P O I N T
F A N S
C I R C U I T B O A R D P O W E R
S
T E R M I N A L B L O C K
C H A S S I S G R O U N D
T
H
F U S E 3 A
E L E C T R O D E
T H E R M I S T O R
J H E A T I N G C A B L E
N
G R O U N D+ 1 2 V
L
1 2 3 4 1 2 3 4 5 6 1 2
D I S P L A Y
B O A R D
3 A
J 4
J 5
J 2
J 6
J 7
J 8
L
P 3
J 1 0
P 1 P 2
T
5 A
D
J
C L C
J 2
J 1 0
P 1 1
P 1 4
P 3 4
P 3 3
P 3 1
A
C
B
J 5
J 8
J 7
J 6
P 3 2
T
P 1 5
P 1 2
P 1 6
P 1 3
L
P 2 1
P 2 2
9
9
G R E E N
O R A N G E
B L U E
R E D
B R O W N
B L A C K
3
L N
H
1
9
5
K
1
O
6 P
R S
4
9
G N D
L A C
+ 1 2 V
F
G
1
8
3
3
1
8
L A C
+ 1 2 V
G N D
C L C
G
O
J
E
F
U T H E R M O F U S E
E
8
J 4
M
3
3
N
1
1
1
1
O
P
S O L E N O I D V A L V E
R E T A I N E R
M
N
3
1 1
3 A
V
F U S E 3 AV
U
G R E E N / Y E L L O W
G R E E N
7
6
5
4
3
2
1 B L A C K
B R O W N
R E D
B L U E
G R E Y
W H I T E
8
9
Y E L L O W
T H E R M A L F U S EY
Y
Y
3 8 5 1 4 0 4
APPENDIX F - WIRING DIAGRAMS
RM3762 & RM3962
3 8 5 1 4 9 5
+
K
L N
1
9
5
G
H
6
P
1 2 V D C D +
1
P 1 1
P 1 2
P 1 3
C
P 2 1
P 2 2
9
9
B
B R O W N
B L A C K
R E D
J
O
1
1
10
3
C O N T R O L B O A R DA
B
C
D
E
F S O L E N O I D V A L V E
K
J
T H E R M A L F U S E
L
M
N
S
R
B U R N E R H O U S I N G
H E A T I N G C A B L ET
R E T A I N E R
S W I T C H L A M P
P R O T E C T I V E E A R T H
G
F U S E 5 A G L A S S
H E A T E R 1 2 0 V A C
9
8
W H I T E
G R E Y
B L U E
R E D
B R O W N
B L A C K1
2
3
4
5
6
7
H
T H E R M O F U S E
G R E E N
G R E E N / Y E L L O W
Y E L L O W
O C H A S S I S G R O U N D
P T E R M I N A L B L O C K
L A M P
13
A
T
S
R
8
10
1
1
1 0
L I G H T B L U E
P 2
E
D
P 6
P 7
P 4
P 3
P 1
F 3
P 5
J 2
J 3
J 1
C I R C U I T B O A R D P O W E R
3
4
7
7
F
9
C I R C U I T B O A R D D I S P L A Y
F U S E 5 A M I N I A U T O
T H E R M I S T O R
E L E C T R O D E
L
M
9
N
P 2
E
D
P 6
P 7
P 4
P 3
P 1
F 3
P 5
J 2
J 3
J 1
K
C
F
N
G R O U N D
T
L
D I S P L A Y
B U T T O N S
H
G
J
S
1

Other manuals for Dometic RM2354

Related product manuals