EasyManua.ls Logo

Dometic RUA5208X - Page 25

Dometic RUA5208X
32 pages
Print Icon
To Next Page IconTo Next Page
To Next Page IconTo Next Page
To Previous Page IconTo Previous Page
To Previous Page IconTo Previous Page
Loading...
EN
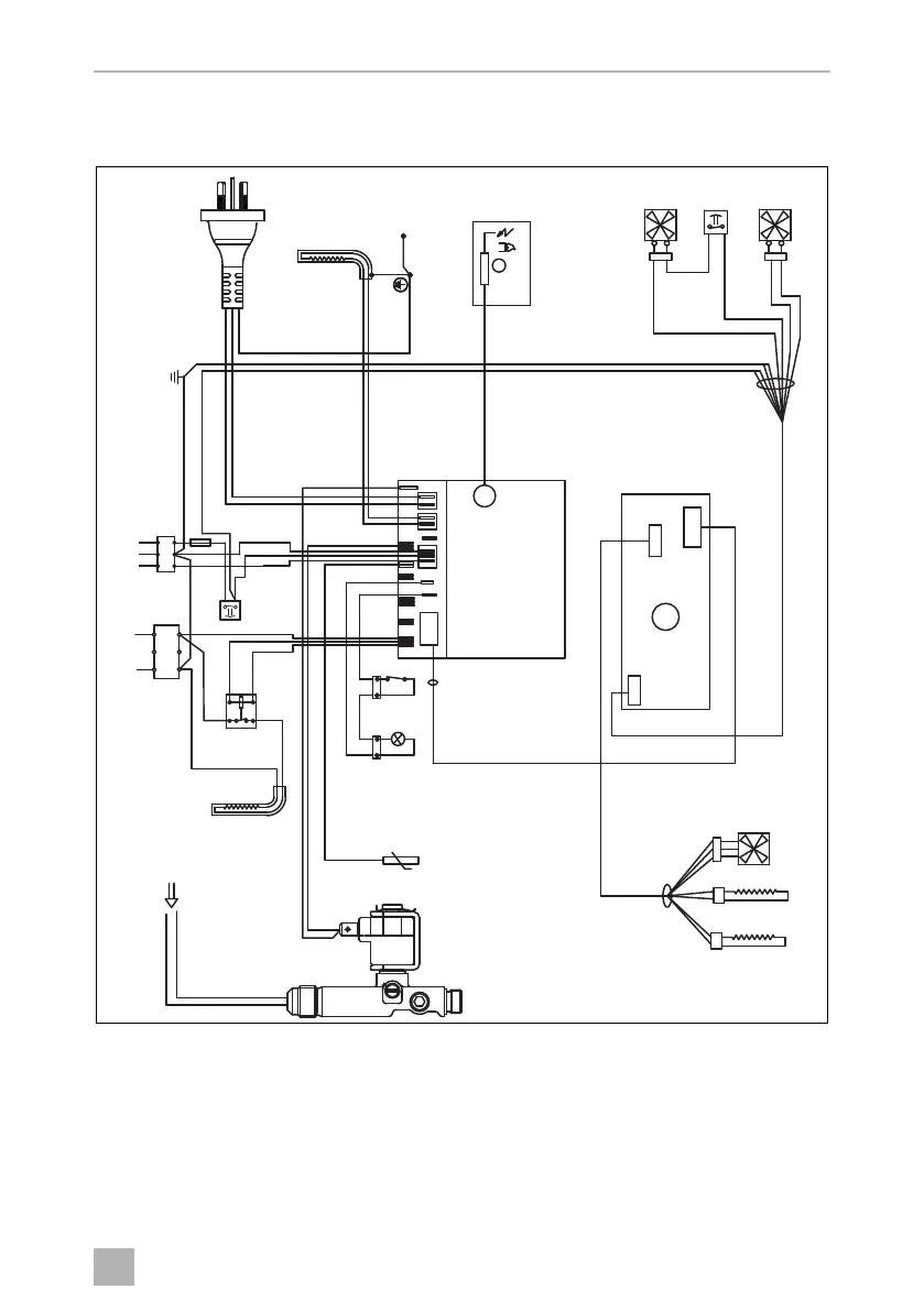
RUA5208X, RUA6408X, RUA8408X Connecting the refrigerator
25
Connect the device as follows:
RUA5208X
1
2
5
4
3
67 8
12
11
9
10
13
14
17
21
20
22
24
19
18
23
26
27
25
16
(
HV-
AC IN
AC OUT
12VDC
PV+
LED-
LED+
DISPLAY
HRLYCIB
S232
NTC2
NTC1
GVAL
87
85
86
30
8
-
+
D+
10
10
+
-
q
RUA8408X-I-AU.book Seite 25 Montag, 3. Juni 2019 2:40 14

Other manuals for Dometic RUA5208X

Related product manuals