EasyManua.ls Logo

DongFeng S30 - Page 138

DongFeng S30
302 pages
Print Icon
To Next Page IconTo Next Page
To Next Page IconTo Next Page
To Previous Page IconTo Previous Page
To Previous Page IconTo Previous Page
Loading...
Circuit Diagrams of Electrical Appliances
21-127
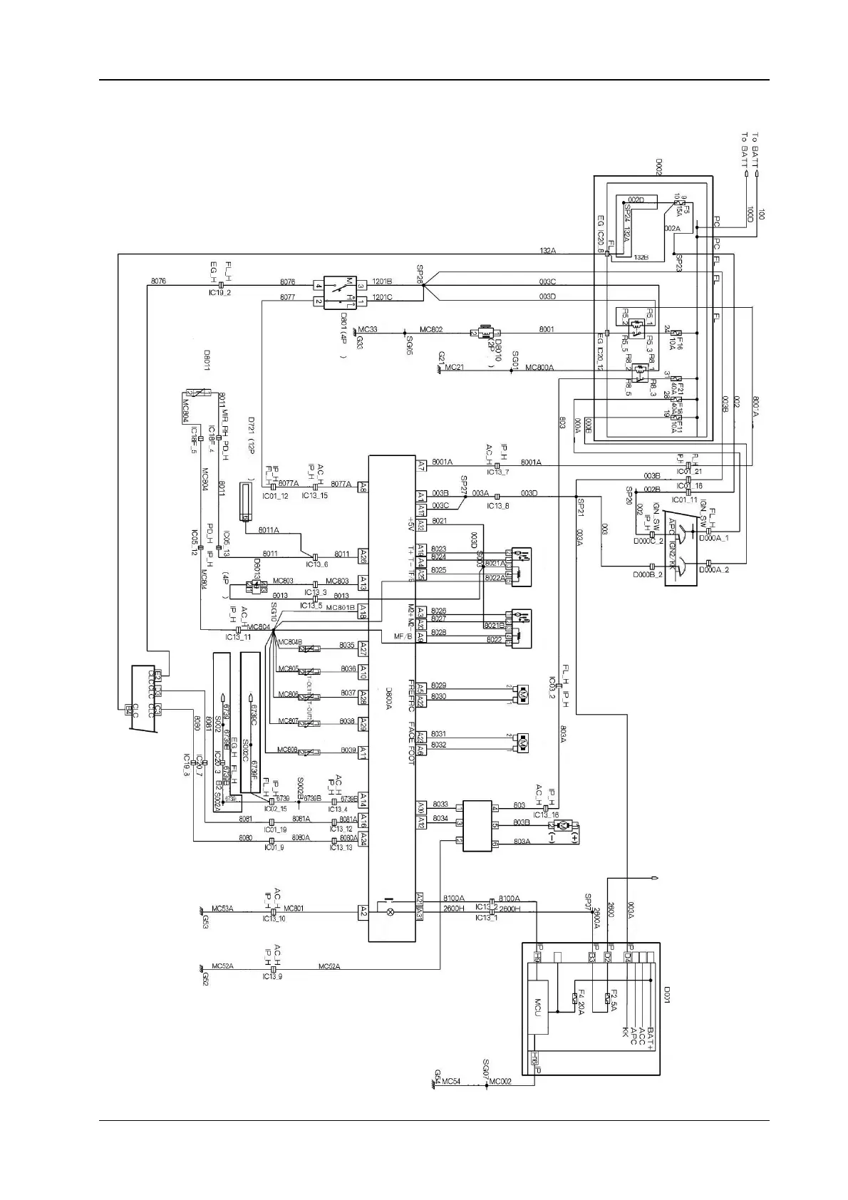
8.2 The electrical schematic diagram for automatic air conditioning S30/H30
Yellow green
Blue Green
Green
Yellow
Yellow
Brown
Yellow
Yellow
Green yellow
Brown
Black/Brown
The ambient
temperature sensor
Multiple functional display
Yellow green
Red
Green yellow
A
ir conditioning control module
Engine computer
Yellow
Green
Blue
Green
Blue Green
Blue Yellow
Green
Grey
***It is used for manual
operated transmission box
***Used for automatic transmission box
The vehicl
e
speed
se
n
sor
The vehicl
e
speed
se
n
sor
The
sun
light
sensor
Evapo
r
ator
tempe
r
ature
sensor
Water
tempe
r
ature
sensor
Brown
Green
The vehicle
internal
temperature
sensor
Yellow green
Green yellow
The fog removing switch
Back light lamp
Yellow green
Green yellow
Cabin fuse box
Side light switch
Green
Green
Yellow
Red
Red
Speed regulation
module
Air flow motor
Internal cycle motor
Face blowing motor
The fog removing
servo motor
Temperature servo
motor
Brown
Green
Brown
Green
Yellow
Yellow
Red
The ignition switch
Red
Red
Yellow
Blue
Green yellow
Red
Red
White
Green yellow
Green
Green
Yellow
Yellow
Yellow green
White
Air
conditioning
compressor
Green
Green
Pink
Yellow
*** It is used for automatic transmission
The engine
compartmen
t fuse box
To connect
with battery