EasyManua.ls Logo

DongFeng S30 - Page 140

DongFeng S30
302 pages
Print Icon
To Next Page IconTo Next Page
To Next Page IconTo Next Page
To Previous Page IconTo Previous Page
To Previous Page IconTo Previous Page
Loading...
Circuit Diagrams of Electrical Appliances
21-129
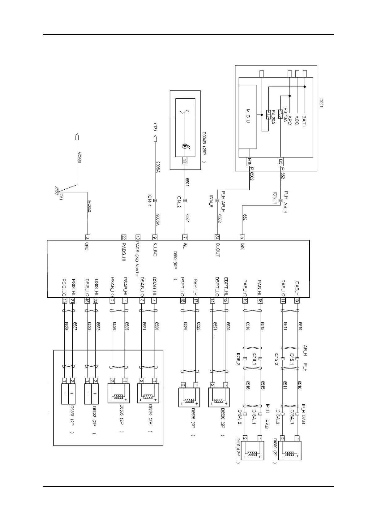
9.2 The electrical schematic diagram for safety air bag S30/H30
The safety air belt warning switch
Green yellow
Green yellow
Brown
Brown
Diagnostic apparatus
Safety air bag alarm light
The combined instrument
Yellow
Green
Green
Brown
Brown
Brown
Brown
Cabin fuse box
Pink
The safety air bag control module
Red
Blue
Red
Blue
Yellow
Yellow
Orange
Orange
Yellow
Yellow
Orange
Orange
*** It is only used for middle level and high
level configuration
Orange
Orange
Green
Green
The passenger side collision
sensor
The driver side collisionr sensor
The passenger side air bag
The driver side air bag
Brown
Brown
The passenger safety belt
pre-tensioner
The driver safety belt
pre-tensioner
Green
Green
The passenger front air bag
The driver front air bag
Yellow
Orange
Yellow
Orange