EasyManua.ls Logo

DongFeng S30 - Page 142

DongFeng S30
302 pages
Print Icon
To Next Page IconTo Next Page
To Next Page IconTo Next Page
To Previous Page IconTo Previous Page
To Previous Page IconTo Previous Page
Loading...
Circuit Diagrams of Electrical Appliances
21-131
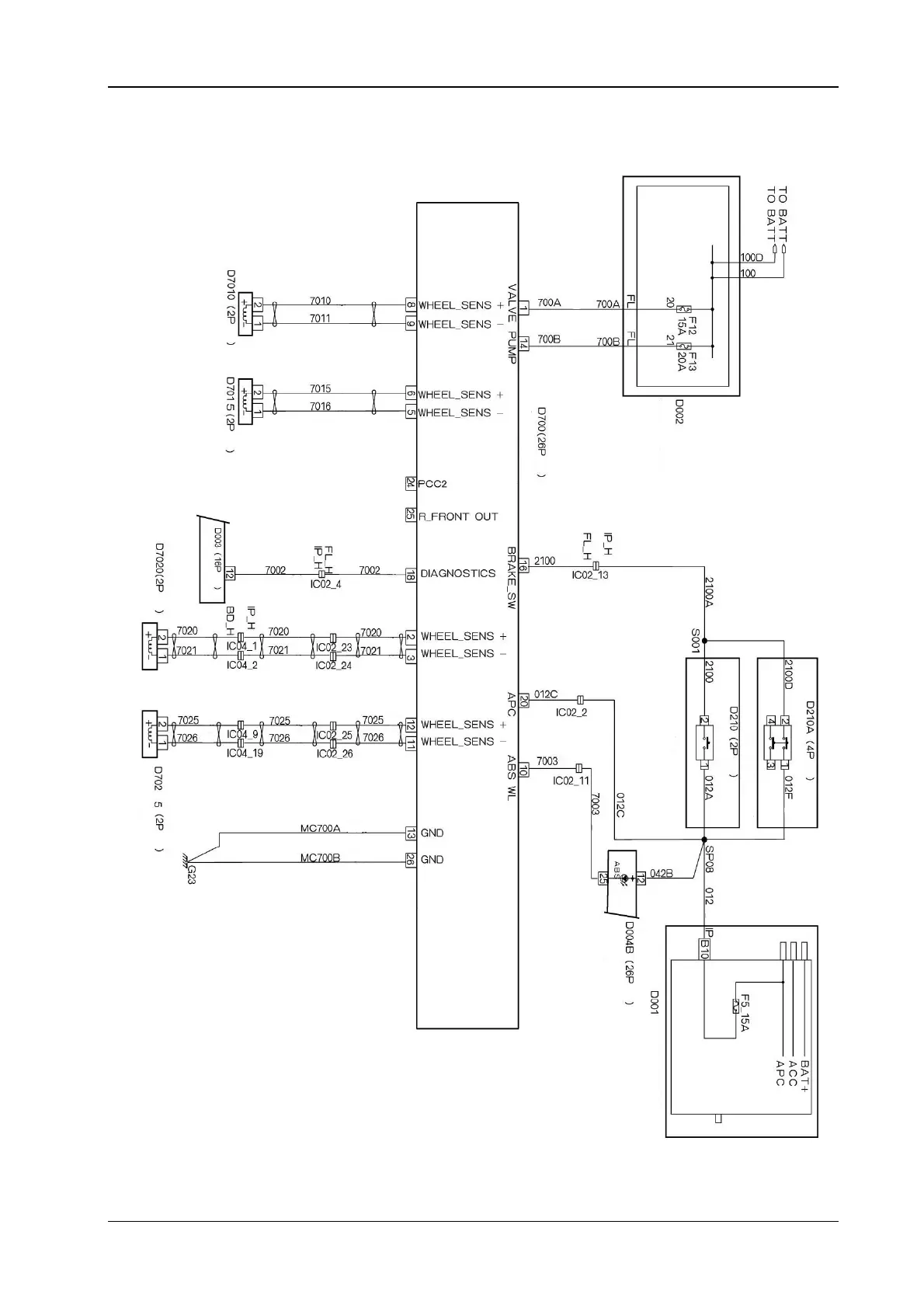
10.1 The electrical location diagram for the brake locking prevention system S30/H30
The left front wheel speed
sensor
The right front wheel
s
p
eed sensor
Green
Green
Brown
Brown
Brown
Green
Green Green
Green
Gre
y
Green
Brown
Brown
Brown
Brown Brown Brown
White
Yell o w
g
reen
Gre
y
Gre
y
Gre
y
Black
Diagnostic apparatus
The left back wheel speed
sensor
Gre
y
The right back wheel
s
p
eed sensor
Yell o w
g
reen
Pink
Yell o w
Black
ABS electric control module
Green
Yell o w
Blue
To connect with battery
The engine compartment
fuse box
Green Green
Green
Brown
Red
Red
Red
Black
White
Green
Red
*** It is used for manual operated
transmission
Indicator li
g
ht
Combined instrument
Yell o w
Cabin fuse box
*** It is used for automatic transmission
The brake switch