EasyManua.ls Logo

DongFeng S30 - Page 153

DongFeng S30
302 pages
Print Icon
To Next Page IconTo Next Page
To Next Page IconTo Next Page
To Previous Page IconTo Previous Page
To Previous Page IconTo Previous Page
Loading...
Circuit Diagrams of Electrical Appliances
21-140
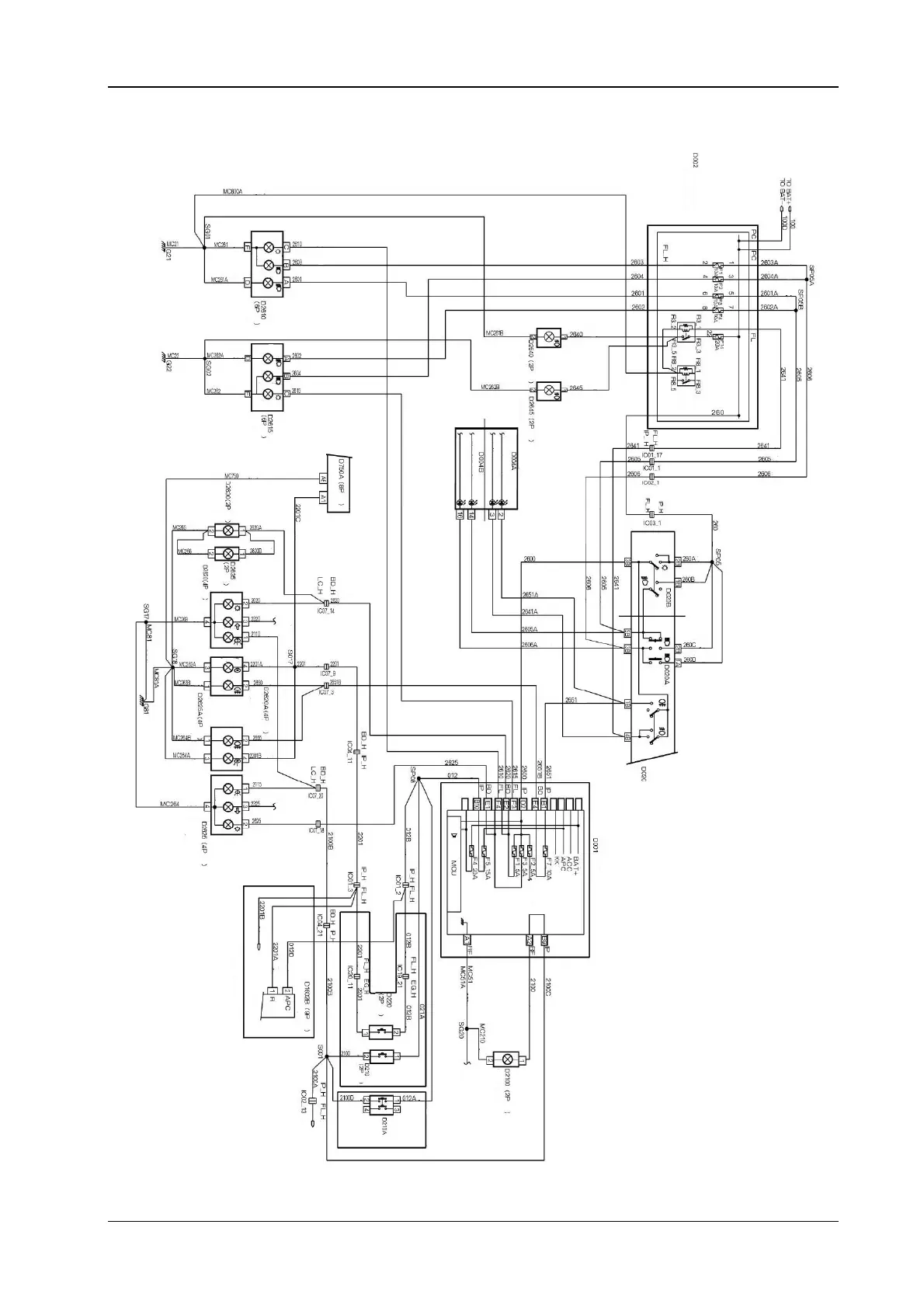
13.3 The electrical schematic diagram for the external lighting H30
Green yellow
Green
yellow
Green
yellow
Green
yellow
Yellow
White
Grey
Grey
White
Red
Green
yellow
Green
yellow
Green
yellow
White
The left fron
t
head light
White
The right front
head light
The side light
The head light dipped beam
The head light main beam
The side light
The head light main beam
The head light dipped beam
The parking auxiliary
control module
Green
yellow
Green
yellow
Green
yellow
Green
y
ellow
Green
y
ellow
Red
Brown
Brown
Brown
Brown
Brown
Green
Green
Brown
Green
Yellow
Yellow
Green yellow
Green yellow
Black
Black
The license plate
li
g
ht-left
Th
e
li
cense
plate
light-right
The back
combined light-left
(the vehicle body)
White
Green
The side light
Steering light
The left steering light
The brake light
The reverse light
The back fog light
White
White
The back
combined
light-right(the
luggage
compartment)
The back fog light
The reverse light
The back
combined
light-left (the
luggage
compartment)
The brake light
The right steering light
The side light
Brown
Green
Green
y
ellow
White
Steering light
The back
combined
light-right (the
vehicle body)
Green
Brown
Green
Yellow
***It is used for automatic transmission
A
utomatic transmission
(Refer to automatic
transmission)
Grey
Green
Green
Grey
Green
The gear selection switch
Grey
Green
Green Yellow
*** It is used for manual operated transmission light switch
White
Red
Green
Green Red
A
BS control module
The brake switch
***It is used for
automatic
transmission
The sky light
control module,
head light
White
The high shift
brake light
Green yellow
Yellow green
Green
Brown
The backlight
With sky light
Without sky light
Cabin fuse box
Green
Red
The light combined switch
Red
Yellow
Yellow
Red
Red
Red
Green
Green
Brown
Brown
Yellow
Red
Blue
White
Black
Black
Red
Red
Yellow
green
Yellow
green
The left
front fog
li
g
ht
The right
front fog
li
g
ht
The combined instrument
The back fog light indicator light
The front fog light indicator light
The dipped beam light indicator light
The main beam light indicator light
Pink
Pink
Green
Green
Green
Yellow
Red
White
The front
fog light
rela
y
Air
conditionin
g air
blower
relay
The engine compartment
fuse box
T To connect with
battery