EasyManua.ls Logo

DongFeng S30 - Page 154

DongFeng S30
302 pages
Print Icon
To Next Page IconTo Next Page
To Next Page IconTo Next Page
To Previous Page IconTo Previous Page
To Previous Page IconTo Previous Page
Loading...
Circuit Diagrams of Electrical Appliances
21-141
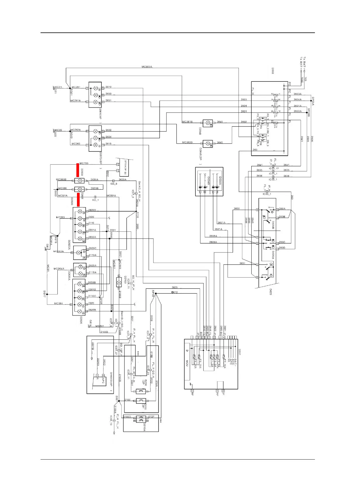
13.4 The electrical schematic diagram for the external lighting H30
Green yellow
Green
yellow
Green
yellow
Green
yellow
Green
yellow
Green
yellow
Green
yellow
White
The left fron
t
head light
White
The right front
head light
The side light
The head light dipped beam
The head light main beam
The side light
The head light main beam
The head light dipped beam
Yellow
White
Grey
Grey
White
Red
The parking auxiliary
control module
Green
yellow
Green
yellow
Red
Brown
License ligh
t
Left
Green
Red
Yellow
green
Green
yellow
Yellow green
Green
yellow
The side light
The left steering light
The brake light
The reverse light
The back fog light
Brown
Brown
Brown
Brown
Brown
Creamy white
Green
Green
Green
Green
Brown
Brown
Green
yellow
Green
yellow
Yellow green
Yellow green
Green
yellow
Green
Brown
Yellow
Green
Green
Brown
Green
Yellow
green
Yellow green
Yellow green
Green
The back
combined light
–left (the lower)
Steering light
The bac
k
combined ligh
t
–left (the upper)
The back combined
light –right (the upper)
The back combined
light –lright (the lower)
The high shift brake light
Steering light
Yellow
Green
Grey
Green
Grey
Green
Green
Yellow
Green
Green
Red
Red
***It is used for automatic transmission
A
utomatic transmission
(Refer to automatic
transmission)
*** It is used for manual operated transmission
A
BS control module
The brake light
switch
***It is used for
automatic transmission
The reverse
light switch
Green
Grey
The gear selection switch
The
brake
light
switch
License ligh
t
Ri
g
ht
Black
Black
Red
Red
Yellow
green
Yellow
green
The left
front fog
li
g
ht
The right
front fog
li
g
ht
The combined instrument
The back fog light indicator light
The front fog light indicator light
The dipped beam light indicator light
The main beam light indicator light
Pink
Pink
Green
Green
Green
Yellow
Red
White
The front
fog light
rela
y
A
ir conditioning air
blower relay
The engine compartment
fuse box
T To connect with
battery
The light combined switch
Red
Yellow
Yellow
Red
Red
Red
Green
Green
Brown
Brown
Yellow
Red
Blue
White
Cabin fuse box