EasyManua.ls Logo

DongFeng S30 - Page 195

DongFeng S30
302 pages
Print Icon
To Next Page IconTo Next Page
To Next Page IconTo Next Page
To Previous Page IconTo Previous Page
To Previous Page IconTo Previous Page
Loading...
Circuit Diagrams of Electrical Appliances
21-174
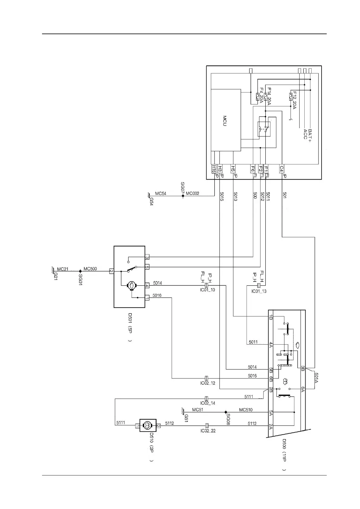
24.3 The electrical schematic diagram for the wind shield wiper and washing pump (S30)
Yell o w
g
reen
Green
y
ellow
Green
y
ellow
Yell o w
g
reen
Yell o w
Yell o w
Green
Green
Red
Brown
The front wind shield wi
p
er rela
y
D001 Cabin fuse box
Brown
The
o
p
eration
Automatic
sto
p
High speed
Earthin
g
White
The wind shield wi
p
er motor
Gre
y
Brown
Yell o w
Yell o w
Red
Red
Intermittent
Low s
p
eed
Hi
g
h s
p
eed
Washin
g
Gre
y
The wind shield
wi
p
er switch
Yell o w
Green
y
ellow
Yell o w
g
reen
Green
Black
Washing pump
motor